Продукция
  • Phoenix Contact
    • Блоки питания и ИБП
      • Автономное энергоснабжение
      • Аксессуары
      • Блоки питания
      • Источники бесперебойного питания
      • Преобразователи постоянного тока
      • Резервные модули
    • Инструменты
      • Автоматы
      • Автоматы для снятия изоляции и обжима
      • Инструмент для обжима
      • Инструменты для удаления изоляции
      • Контрольно-измерительные приборы
      • Отвертки
      • Ручной инструмент
    • Кабели и провода
      • Зарядные кабели для электромобилей
      • Кабели для фотогальваники
      • Медный кабель
      • Оптоволоконные кабели
      • Универсальный кабель
    • Кабельная разводка датчиков и исполнительных элементов
      • Кабели для применения в Северной Америке
      • Кабели и штекерные модули клапанов
      • Кабельные соединения специального назначения
      • Подготовленные кабели
      • Приборные соединители
      • Разветвители и адаптеры
      • Распределительные коробки
      • Список изделий: принадлежности
      • Товар на метры
      • Штекерные соединители
    • Клеммные блоки
      • Барьерный разъем
      • Клеммные блоки для перерабатывающей промышленности
      • Клеммные блоки для фотогальваники
      • Клеммы Phoenix Contact с быстрым соединением
      • Клеммы Phoenix Contact с зажимом Push-In
      • Клеммы Phoenix Contact с нестандартным подключением
      • Клеммы Phoenix Contact с пружинным зажимом
      • Клеммы с болтовым соединением Phoenix Contact
      • Клеммы с держателями предохранителей
      • Клеммы Феникс Контакт с винтовым зажимом
      • ПО для проектирования и маркировки
      • Распределительные блоки
      • Электротехнические клеммы для систем защиты и управления
    • Клеммы и штекерные соединители для печатных плат
      • Разъемы для печатных плат
      • Список сильноточных проходных клемм
      • Штекерные разъемы для печатных плат
    • Контрольно-измерительные и регулирующие устройства
      • Защита контрольно-измерительных систем от перенапряжений
      • Измерение тока и напряжения
      • Индикаторы процессов и полевые устройства
      • Программируемые логические контроллеры (ПЛК)
      • Разделительные усилители
      • Реле контроля
      • Список мультиплексоров для сигналов, передаваемых по протоколу HART
      • Управление фотогальваническими установками
    • Корпуса для электроники
      • HMI-компоненты и принадлежности
      • Корпус для установки на монтажную рейку
      • Корпуса полевых устройств
    • Маркировка и нанесение обозначений
      • Маркировка клемм
      • Маркировка оборудования
      • Маркировка проводников и кабелей
      • Маркировка устройств
      • Мобильные системы печати и маркировки
      • ПО для проектирования и маркировки
      • Система RFID для маркировки оборудования и установок
      • Системы печати и маркировки
    • Мониторинг
      • Измерение энергии и мощности
      • Мониторинг и диагностика
      • Сигнализация и индикация
      • Устройства измерения тока и напряжения
    • Монтажный и установочный материал
      • Заземление и экранирование
      • Кабельные вводы
      • Коробки подключения и полые корпуса
      • Монтажная рама штекера
      • Поворотный переключатель
      • Распределительные блоки, безвинтовые клеммы и евроклеммы
      • Розетки и сервисные интерфейсы
      • Система ввода кабеля
      • Система кабелепровода
      • Системы защиты кабеля
      • Электроустановочный материал для электрошкафа
    • Облачная обработка промышленных данных
      • Облачные службы
      • Облачные устройства
      • Срок использования облака
    • Оборудование для зарядки электромобилей
      • Зарядные вставные системы
      • Зарядные контроллеры
      • Комплекты для зарядки
      • Программное обеспечение для управления зарядкой электромобилей
    • Освещение и сигнализация
      • Освещение башен ветросиловых установок
      • Светильники для электрошкафа
      • Сигнальные колонны
      • Сигнальные огни для морских приложений
      • Система управления освещением
      • Станочные светильники
    • ПЛК и системы ввода-вывода
      • Системы ввода-вывода для полевой установки (IP65/67)
      • Системы ввода-вывода для электрошкафов (IP20)
      • Список изделий: принадлежности для систем ввода/вывода
      • Список компонентов для систем ввода-вывода
    • Помехоподавляющие фильтры и защита от импульсных перенапряжений
      • Защита от импульсных перенапряжений для КИПиА
      • Защита от перенапряжений для возобновляемых источников энергии
      • Защита передающих и принимающих устройств от импульсных перенапряжений
      • Измерение тока молнии
      • Комплектные решения
      • Помехоподавляющие фильтры
      • Разделительный искровой разрядник
      • Тестер для разрядников
      • Устройства защиты от импульсных перенапряжений для информационных систем
      • Устройства защиты от перенапряжений для источников питания
    • Программное обеспечение
      • Визуализация
      • Драйвера и интерфейсы
      • Конфигурирование, мониторинг и диагностика
      • Модульная программная платформа
      • Планирование и проектирование
      • ПО для проектирования и маркировки
      • ПО для сетевого управления
      • Программирование
      • Программное обеспечение для электромобильности
      • Удаленное управление и обслуживание
      • Управление и настройка параметров устройств
      • Функциональные блоки
    • Промышленные коммуникационные технологии
      • Industrial Ethernet
      • Передача данных по полевой шине
      • Продукты в соответствии с протоколами
      • Промышленная беспроводная связь
      • Удаленная связь
    • Релейные модули
      • Программируемаяя система логических реле
      • Реле времении
      • Реле контроля
      • Электромеханические и полупроводниковые релейные модули
    • Системная кабельная разводка для контроллеров
      • Cпециальная кабельная разводка для контроллеров
      • Компоненты для дополнительного оснащения и модернизации
      • Распределитель потенциалов
      • Универсальные модули
      • Универсальный кабель
    • Устройства HMI и промышленные ПК
      • Промышленные ПК
      • Устройства HMI
      • Устройства HMI для применения в морских условиях
      • Устройства HMI и промышленные ПК для использования вне помещений
    • Устройства защиты
      • Автоматические защитные выключатели
    • Функциональная безопасность
      • Безопасные разделительные усилители
      • Безопасные устройства ввода-вывода
      • Безопасные устройства управления
      • Коммутационные аппараты систем безопасности
      • Конфигурируемые модули безопасности
    • Штекерные разъемы
      • Блоки для установки плат 19" и пружинные колодки
      • Зарядные вставные системы для электромобилей
      • Клеммы для печатных плат
      • Круглые штекерные разъемы
      • Модульные прямоугольные разъемы
      • Монтажная система
      • Промышленные штекерные соединители
      • Соединители для передачи данных
      • Штекерные соединители для ФГ-систем
      • Этажерочный принцип распределения энергии
    • Электронные коммутационные аппараты и устройства управления двигателем
      • Гибридные пускатели с защитой от короткого замыкания
      • Гибридный пускатель электродвигателя
      • Подключаемые к сети гибридные пускатели электродвигателя
      • Полупроводниковые контакторы
      • Пускатель электродвигателя
      • Управление машинами
      • Управление электродвигателями
  • СТЭЗ
    • Офисные коммутаторы
      • L2/L3 коммутаторы агрегации 10GE
      • TOWER коммутаторы
    • Промышленные коммутаторы
      • Аксессуары
      • Неуправляемые коммутаторы
      • Управляемые коммутаторы L2/L3
  • Finder
    • Вспомогательные элементы и аксессуары
      • 01 Серия
      • 02 Серия
      • 04 Серия
      • 05 Серия
      • 06 Серия
      • 07 Серия
      • 08 Серия
      • 09 Серия
    • Детекторы движения и присутствия
      • 18 Серия
    • Диммеры
      • 15 Серия
    • Импульсные источники питания
      • 78 Серия
    • Модули индикации и защиты
      • 19 Серия
      • 99 Серия
    • Модульные контакторы
      • 22 Серия
    • Реле
      • Интерфейсные модули реле
      • Контрольные реле
      • Модульные твердотельные реле (SSR)
      • Программируемые логические реле
      • Промышленные реле
      • Реле времени
      • Реле для печатного монтажа
      • Реле с принудительным управлением контактами
      • Фотореле
      • Шаговые реле
    • Розетки
      • 90 Серия
      • 92 Серия
      • 93 Серия
      • 94 Серия
      • 95 Серия
      • 96 Серия
      • 97 Серия
    • Светодиодные щитовые светильники
      • 7L Серия
    • Таймеры
      • 14 Серия
      • 80 Серия
      • 81 Серия
      • 83 Серия
      • 84 Серия
      • 85 Серия
      • 86 Серия
      • 88 Серия
    • Устройства защиты от импульсных перенапряжений (УЗИП)
      • 7P серия
    • Щитовое климатическое оборудование
      • 7F Серия
      • 7H Серия
      • 7T Серия
  • Bopla
    • Корпусная техника
      • Alu-Topline
      • Alubos
      • Aluplan
      • Alurail
      • Alustyle
      • Bocard
      • Bocube
      • Bocube Alu
      • BoLink
      • BoPad
      • Bopla-Arteb
      • BOS
      • BOS-Ecoline
      • BOS-Streamline
      • Botego
      • BoTouch
      • Circum
      • CombiCard 1000-3000 / CombiSet 500
      • CombiCard 5000-7000
      • CombiNorm-Classic
      • CombiNorm-Compact
      • CombiNorm-Connect
      • Combirail
      • Elegant
      • Elegant-Pult
      • Element / Universal
      • Elesett / Eletec
      • Euromas ABS / PC
      • Euromas Aluminium / Euromas F05
      • Euromas II
      • Euromas Polyester
      • Euromas Polymas
      • Filotec
      • Futura / Portas / Bopult
      • Internorm
      • Internorm Stil
      • Intertego
      • Interzoll
      • Interzoll Case
      • Interzoll Modul
      • Interzoll Plus
      • RegloCard-Plus / Combifront / InterCard
      • Tastomat
      • UDS Universal-Docking-Station
      • Ultramas
      • Ultrapult
      • Unimas
      • Uninorm
      • Винтовые соединения кабелей, общая дополнительная оснастка
    • Плёночные клавиатуры
      • для BOPLA-Arteb
      • для BOS
      • для Elegant
      • С тактильным эффектом и без тактильного эффекта
  • Rose
    • Взрывозащищенное оборудование
      • Взрывозащищенные клеммные коробки (Ex ia, Ex e, Ex d) из алюминия, полиэстера и нержавеющей стали
      • Взрывозащищенные посты управления
    • Кабельные вводы
      • Взрывозащищенные кабельные вводы
      • Индустриальные кабельные вводы
    • Корпуса для задач автоматизации, измерения и контроля
      • Переносные системы управления
      • Стационарные системы управления
    • Продукция
    • Промышленное оборудование
      • Корпуса для электронных компонентов
      • Стандартные корпуса
  • WAGO
    • Автоматизация WAGO
    • Инструменты для монтажа WAGO
    • Клеммы для светильников WAGO
    • Клеммы на DIN-рейку WAGO
    • Клеммы на печатную плату WAGO
    • Розетки и вилки WAGO
    • Электромонтажные клеммы WAGO
    • Электронные компоненты WAGO
  • ETI
    • Автоматические выключатели
    • Корпуса
    • Предохранители
      • Предохранители цилиндрические
    • Реле
      • Дифференциальные реле
      • Промежуточные электромеханические реле
    • Устройства плавного пуска
    • Частотные преобразователи
  • Rittal
    • Контроль микроклимата
    • Корпуса
    • Электрораспределение
  • CHIKU
    • Винтовые клеммы эконом
    • Заземляющие клеммы
    • Клеммные блоки
    • Клеммы пружинные с монтажом сверху
    • Клеммы с возвратной пружиной
    • Клеммы с пружинным зажимом Push-in
    • Концевой стопор
    • Маркировка
    • Мостики и перемычки
    • Открытые клеммные колодки
    • Принадлежности
    • Проходные клеммы
    • Пружинные клеммы и принадлежности
    • Распределительные блоки
    • Реле
    • Силовые клеммы
    • Соединительные клеммы
    • Ультратонкие релейные модули
    • Универсальные винтовые клеммы
    • Универсальные винтовые клеммы Un=1000V
    • Функциональные клеммы
    • Штекеры и разъемы
В наличии
Доставка
Услуги
Новости
Каталоги и сертификаты
О Компании
Контакты
    +7 (495) 740-06-07
    Заказать звонок
    «Автоматизация Технических Систем» (ООО «АВТС»)

    Официальный дистрибьютор
    электротехнического оборудования
    Каталог
    • Phoenix Contact
      Phoenix Contact
      • Блоки питания и ИБП      
        • Автономное энергоснабжение
        • Аксессуары
        • Блоки питания
        • Источники бесперебойного питания
        • Преобразователи постоянного тока
        • Резервные модули
      • Инструменты      
        • Автоматы
        • Автоматы для снятия изоляции и обжима
        • Инструмент для обжима
        • Инструменты для удаления изоляции
        • Контрольно-измерительные приборы
        • Отвертки
        • Ручной инструмент
      • Кабели и провода      
        • Зарядные кабели для электромобилей
        • Кабели для фотогальваники
        • Медный кабель
        • Оптоволоконные кабели
        • Универсальный кабель
      • Кабельная разводка датчиков и исполнительных элементов      
        • Кабели для применения в Северной Америке
        • Кабели и штекерные модули клапанов
        • Кабельные соединения специального назначения
        • Подготовленные кабели
        • Приборные соединители
        • Разветвители и адаптеры
        • Распределительные коробки
        • Список изделий: принадлежности
        • Товар на метры
        • Штекерные соединители
      • Клеммные блоки      
        • Барьерный разъем
        • Клеммные блоки для перерабатывающей промышленности
        • Клеммные блоки для фотогальваники
        • Клеммы Phoenix Contact с быстрым соединением
        • Клеммы Phoenix Contact с зажимом Push-In
        • Клеммы Phoenix Contact с нестандартным подключением
        • Клеммы Phoenix Contact с пружинным зажимом
        • Клеммы с болтовым соединением Phoenix Contact
        • Клеммы с держателями предохранителей
        • Клеммы Феникс Контакт с винтовым зажимом
        • ПО для проектирования и маркировки
        • Распределительные блоки
        • Электротехнические клеммы для систем защиты и управления
      • Клеммы и штекерные соединители для печатных плат      
        • Разъемы для печатных плат
        • Список сильноточных проходных клемм
        • Штекерные разъемы для печатных плат
      • Контрольно-измерительные и регулирующие устройства      
        • Защита контрольно-измерительных систем от перенапряжений
        • Измерение тока и напряжения
        • Индикаторы процессов и полевые устройства
        • Программируемые логические контроллеры (ПЛК)
        • Разделительные усилители
        • Реле контроля
        • Список мультиплексоров для сигналов, передаваемых по протоколу HART
        • Управление фотогальваническими установками
      • Корпуса для электроники      
        • HMI-компоненты и принадлежности
        • Корпус для установки на монтажную рейку
        • Корпуса полевых устройств
      • Маркировка и нанесение обозначений      
        • Маркировка клемм
        • Маркировка оборудования
        • Маркировка проводников и кабелей
        • Маркировка устройств
        • Мобильные системы печати и маркировки
        • ПО для проектирования и маркировки
        • Система RFID для маркировки оборудования и установок
        • Системы печати и маркировки
      • Мониторинг      
        • Измерение энергии и мощности
        • Мониторинг и диагностика
        • Сигнализация и индикация
        • Устройства измерения тока и напряжения
      • Монтажный и установочный материал      
        • Заземление и экранирование
        • Кабельные вводы
        • Коробки подключения и полые корпуса
        • Монтажная рама штекера
        • Поворотный переключатель
        • Распределительные блоки, безвинтовые клеммы и евроклеммы
        • Розетки и сервисные интерфейсы
        • Система ввода кабеля
        • Система кабелепровода
        • Системы защиты кабеля
        • Электроустановочный материал для электрошкафа
      • Облачная обработка промышленных данных      
        • Облачные службы
        • Облачные устройства
        • Срок использования облака
      • Оборудование для зарядки электромобилей      
        • Зарядные вставные системы
        • Зарядные контроллеры
        • Комплекты для зарядки
        • Программное обеспечение для управления зарядкой электромобилей
      • Освещение и сигнализация      
        • Освещение башен ветросиловых установок
        • Светильники для электрошкафа
        • Сигнальные колонны
        • Сигнальные огни для морских приложений
        • Система управления освещением
        • Станочные светильники
      • ПЛК и системы ввода-вывода      
        • Системы ввода-вывода для полевой установки (IP65/67)
        • Системы ввода-вывода для электрошкафов (IP20)
        • Список изделий: принадлежности для систем ввода/вывода
        • Список компонентов для систем ввода-вывода
      • Помехоподавляющие фильтры и защита от импульсных перенапряжений      
        • Защита от импульсных перенапряжений для КИПиА
        • Защита от перенапряжений для возобновляемых источников энергии
        • Защита передающих и принимающих устройств от импульсных перенапряжений
        • Измерение тока молнии
        • Комплектные решения
        • Помехоподавляющие фильтры
        • Разделительный искровой разрядник
        • Тестер для разрядников
        • Устройства защиты от импульсных перенапряжений для информационных систем
        • Устройства защиты от перенапряжений для источников питания
      • Программное обеспечение      
        • Визуализация
        • Драйвера и интерфейсы
        • Конфигурирование, мониторинг и диагностика
        • Модульная программная платформа
        • Планирование и проектирование
        • ПО для проектирования и маркировки
        • ПО для сетевого управления
        • Программирование
        • Программное обеспечение для электромобильности
        • Удаленное управление и обслуживание
        • Управление и настройка параметров устройств
        • Функциональные блоки
      • Промышленные коммуникационные технологии      
        • Industrial Ethernet
        • Передача данных по полевой шине
        • Продукты в соответствии с протоколами
        • Промышленная беспроводная связь
        • Удаленная связь
      • Релейные модули      
        • Программируемаяя система логических реле
        • Реле времении
        • Реле контроля
        • Электромеханические и полупроводниковые релейные модули
      • Системная кабельная разводка для контроллеров      
        • Cпециальная кабельная разводка для контроллеров
        • Компоненты для дополнительного оснащения и модернизации
        • Распределитель потенциалов
        • Универсальные модули
        • Универсальный кабель
      • Устройства HMI и промышленные ПК      
        • Промышленные ПК
        • Устройства HMI
        • Устройства HMI для применения в морских условиях
        • Устройства HMI и промышленные ПК для использования вне помещений
      • Устройства защиты      
        • Автоматические защитные выключатели
      • Функциональная безопасность      
        • Безопасные разделительные усилители
        • Безопасные устройства ввода-вывода
        • Безопасные устройства управления
        • Коммутационные аппараты систем безопасности
        • Конфигурируемые модули безопасности
      • Штекерные разъемы      
        • Блоки для установки плат 19" и пружинные колодки
        • Зарядные вставные системы для электромобилей
        • Клеммы для печатных плат
        • Круглые штекерные разъемы
        • Модульные прямоугольные разъемы
        • Монтажная система
        • Промышленные штекерные соединители
        • Соединители для передачи данных
        • Штекерные соединители для ФГ-систем
        • Этажерочный принцип распределения энергии
      • Электронные коммутационные аппараты и устройства управления двигателем      
        • Гибридные пускатели с защитой от короткого замыкания
        • Гибридный пускатель электродвигателя
        • Подключаемые к сети гибридные пускатели электродвигателя
        • Полупроводниковые контакторы
        • Пускатель электродвигателя
        • Управление машинами
        • Управление электродвигателями
      • Еще
    • СТЭЗ
      СТЭЗ
      • Офисные коммутаторы      
        • L2/L3 коммутаторы агрегации 10GE
        • TOWER коммутаторы
      • Промышленные коммутаторы      
        • Аксессуары
        • Неуправляемые коммутаторы
        • Управляемые коммутаторы L2/L3
    • Finder
      Finder
      • Вспомогательные элементы и аксессуары      
        • 01 Серия
        • 02 Серия
        • 04 Серия
        • 05 Серия
        • 06 Серия
        • 07 Серия
        • 08 Серия
        • 09 Серия
      • Детекторы движения и присутствия      
        • 18 Серия
      • Диммеры      
        • 15 Серия
      • Импульсные источники питания      
        • 78 Серия
      • Модули индикации и защиты      
        • 19 Серия
        • 99 Серия
      • Модульные контакторы      
        • 22 Серия
      • Реле      
        • Интерфейсные модули реле
        • Контрольные реле
        • Модульные твердотельные реле (SSR)
        • Программируемые логические реле
        • Промышленные реле
        • Реле времени
        • Реле для печатного монтажа
        • Реле с принудительным управлением контактами
        • Фотореле
        • Шаговые реле
      • Розетки      
        • 90 Серия
        • 92 Серия
        • 93 Серия
        • 94 Серия
        • 95 Серия
        • 96 Серия
        • 97 Серия
      • Светодиодные щитовые светильники      
        • 7L Серия
      • Таймеры      
        • 14 Серия
        • 80 Серия
        • 81 Серия
        • 83 Серия
        • 84 Серия
        • 85 Серия
        • 86 Серия
        • 88 Серия
      • Устройства защиты от импульсных перенапряжений (УЗИП)      
        • 7P серия
      • Щитовое климатическое оборудование      
        • 7F Серия
        • 7H Серия
        • 7T Серия
      • Еще
    • Bopla
      Bopla
      • Корпусная техника      
        • Alu-Topline
        • Alubos
        • Aluplan
        • Alurail
        • Alustyle
        • Bocard
        • Bocube
        • Bocube Alu
        • BoLink
        • BoPad
        • Bopla-Arteb
        • BOS
        • BOS-Ecoline
        • BOS-Streamline
        • Botego
        • BoTouch
        • Circum
        • CombiCard 1000-3000 / CombiSet 500
        • CombiCard 5000-7000
        • CombiNorm-Classic
        • CombiNorm-Compact
        • CombiNorm-Connect
        • Combirail
        • Elegant
        • Elegant-Pult
        • Element / Universal
        • Elesett / Eletec
        • Euromas ABS / PC
        • Euromas Aluminium / Euromas F05
        • Euromas II
        • Euromas Polyester
        • Euromas Polymas
        • Filotec
        • Futura / Portas / Bopult
        • Internorm
        • Internorm Stil
        • Intertego
        • Interzoll
        • Interzoll Case
        • Interzoll Modul
        • Interzoll Plus
        • RegloCard-Plus / Combifront / InterCard
        • Tastomat
        • UDS Universal-Docking-Station
        • Ultramas
        • Ultrapult
        • Unimas
        • Uninorm
        • Винтовые соединения кабелей, общая дополнительная оснастка
      • Плёночные клавиатуры      
        • для BOPLA-Arteb
        • для BOS
        • для Elegant
        • С тактильным эффектом и без тактильного эффекта
    • Rose
      Rose
      • Взрывозащищенное оборудование      
        • Взрывозащищенные клеммные коробки (Ex ia, Ex e, Ex d) из алюминия, полиэстера и нержавеющей стали
        • Взрывозащищенные посты управления
      • Кабельные вводы      
        • Взрывозащищенные кабельные вводы
        • Индустриальные кабельные вводы
      • Корпуса для задач автоматизации, измерения и контроля      
        • Переносные системы управления
        • Стационарные системы управления
      • Продукция
      • Промышленное оборудование      
        • Корпуса для электронных компонентов
        • Стандартные корпуса
    • WAGO
      WAGO
      • Автоматизация WAGO
      • Инструменты для монтажа WAGO
      • Клеммы для светильников WAGO
      • Клеммы на DIN-рейку WAGO
      • Клеммы на печатную плату WAGO
      • Розетки и вилки WAGO
      • Электромонтажные клеммы WAGO
      • Электронные компоненты WAGO
    • ETI
      ETI
      • Автоматические выключатели
      • Корпуса
      • Предохранители      
        • Предохранители цилиндрические
      • Реле      
        • Дифференциальные реле
        • Промежуточные электромеханические реле
      • Устройства плавного пуска
      • Частотные преобразователи
    • Rittal
      Rittal
      • Контроль микроклимата
      • Корпуса
      • Электрораспределение
    • CHIKU
      CHIKU
      • Винтовые клеммы эконом
      • Заземляющие клеммы
      • Клеммные блоки
      • Клеммы пружинные с монтажом сверху
      • Клеммы с возвратной пружиной
      • Клеммы с пружинным зажимом Push-in
      • Концевой стопор
      • Маркировка
      • Мостики и перемычки
      • Открытые клеммные колодки
      • Принадлежности
      • Проходные клеммы
      • Пружинные клеммы и принадлежности
      • Распределительные блоки
      • Реле
      • Силовые клеммы
      • Соединительные клеммы
      • Ультратонкие релейные модули
      • Универсальные винтовые клеммы
      • Универсальные винтовые клеммы Un=1000V
      • Функциональные клеммы
      • Штекеры и разъемы
      • Еще
    Бренды
    Phoenix Contact СТЭЗ Finder Rose Bopla ETI WAGO Rittal CHIKU
    «Автоматизация Технических Систем» (ООО «АВТС»)
    Каталог
    «Автоматизация Технических Систем» (ООО «АВТС»)
    Телефоны
    +7 (495) 740-06-07
    Заказать звонок
    «Автоматизация Технических Систем» (ООО «АВТС»)
    • +7 (495) 740-06-07
      • Назад
      • Телефоны
      • +7 (495) 740-06-07
      • Заказать звонок
    • info@avt-s.ru
    •  г. Москва, вн. тер. г. муниципальный округ Басманный, проезд Лубянский, д. 27/1, стр. 1, этаж 5, ком. 78
    • Пн. – Пт.: с 9:00 до 18:00
      субб. - вск. - выходные
    Главная
    Phoenix Contact
    Помехоподавляющие фильтры и защита от импульсных перенапряжений

    Помехоподавляющие фильтры и защита от импульсных перенапряжений

    843 товара
    Защита от импульсных перенапряжений для КИПиА Защита от импульсных перенапряжений для КИПиА
    Защита от перенапряжений для возобновляемых источников энергии Защита от перенапряжений для возобновляемых источников энергии
    Защита передающих и принимающих устройств от импульсных перенапряжений Защита передающих и принимающих устройств от импульсных перенапряжений
    Измерение тока молнии Измерение тока молнии
    Комплектные решения Комплектные решения
    Помехоподавляющие фильтры Помехоподавляющие фильтры
    Разделительный искровой разрядник Разделительный искровой разрядник
    Тестер для разрядников Тестер для разрядников
    Устройства защиты от импульсных перенапряжений для информационных систем Устройства защиты от импульсных перенапряжений для информационных систем
    Устройства защиты от перенапряжений для источников питания Устройства защиты от перенапряжений для источников питания
    Фильтр
    Сначала непопулярные
    Сначала непопулярные
    Сначала популярные
    Фильтр
    Сначала непопулярные
    Сначала непопулярные
    Сначала популярные
    Быстрый просмотр
    Устройство защиты от перенапряжений-D-LAN-19-20 Устройство защиты от перенапряжений-D-LAN-19-20 Устройство защиты от перенапряжений-D-LAN-19-20
    Устройство защиты от перенапряжений-D-LAN-19-20
    Заказать
    Быстрый просмотр
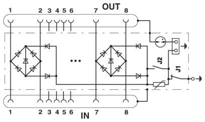
    Устройство защиты от перенапряжений-TTC-6P-3-HF-F-M-24DC-PT-I Устройство защиты от перенапряжений-TTC-6P-3-HF-F-M-24DC-PT-I Устройство защиты от перенапряжений-TTC-6P-3-HF-F-M-24DC-PT-I Устройство защиты от перенапряжений-TTC-6P-3-HF-F-M-24DC-PT-I Устройство защиты от перенапряжений-TTC-6P-3-HF-F-M-24DC-PT-I
    Устройство защиты от перенапряжений-TTC-6P-3-HF-F-M-24DC-PT-I
    Заказать
    Быстрый просмотр
    Устройство защиты от перенапряжений-PT-IQ-2X2+F-5DC-PT Устройство защиты от перенапряжений-PT-IQ-2X2+F-5DC-PT Устройство защиты от перенапряжений-PT-IQ-2X2+F-5DC-PT Устройство защиты от перенапряжений-PT-IQ-2X2+F-5DC-PT Устройство защиты от перенапряжений-PT-IQ-2X2+F-5DC-PT
    Устройство защиты от перенапряжений-PT-IQ-2X2+F-5DC-PT
    Заказать
    Быстрый просмотр
    Молниезащитный разрядник, тип 1-FLT-SEC-P-T1-2C-350/25-FM Молниезащитный разрядник, тип 1-FLT-SEC-P-T1-2C-350/25-FM Молниезащитный разрядник, тип 1-FLT-SEC-P-T1-2C-350/25-FM Молниезащитный разрядник, тип 1-FLT-SEC-P-T1-2C-350/25-FM Молниезащитный разрядник, тип 1-FLT-SEC-P-T1-2C-350/25-FM
    Молниезащитный разрядник, тип 1-FLT-SEC-P-T1-2C-350/25-FM
    Заказать
    Быстрый просмотр
    Разрядник для защиты от импульсных перенапряжений, тип 2-VAL-MS 230/10 Разрядник для защиты от импульсных перенапряжений, тип 2-VAL-MS 230/10 Разрядник для защиты от импульсных перенапряжений, тип 2-VAL-MS 230/10
    Разрядник для защиты от импульсных перенапряжений, тип 2-VAL-MS 230/10
    Заказать
    Быстрый просмотр
    Базовый элемент-VAL-MS-T1/T2 BE Базовый элемент-VAL-MS-T1/T2 BE
    Базовый элемент-VAL-MS-T1/T2 BE
    Заказать
    Быстрый просмотр
    Устройство защиты от перенапряжений-D-LAN-19-24 Устройство защиты от перенапряжений-D-LAN-19-24 Устройство защиты от перенапряжений-D-LAN-19-24 Устройство защиты от перенапряжений-D-LAN-19-24
    Устройство защиты от перенапряжений-D-LAN-19-24
    Заказать
    Быстрый просмотр
    Устройство защиты от перенапряжений-C-UFB-24DC/E Устройство защиты от перенапряжений-C-UFB-24DC/E Устройство защиты от перенапряжений-C-UFB-24DC/E Устройство защиты от перенапряжений-C-UFB-24DC/E
    Устройство защиты от перенапряжений-C-UFB-24DC/E
    Заказать
    Быстрый просмотр
    Устройство защиты от перенапряжений-PT-IQ-1X2+F-5DC-PT Устройство защиты от перенапряжений-PT-IQ-1X2+F-5DC-PT Устройство защиты от перенапряжений-PT-IQ-1X2+F-5DC-PT Устройство защиты от перенапряжений-PT-IQ-1X2+F-5DC-PT Устройство защиты от перенапряжений-PT-IQ-1X2+F-5DC-PT
    Устройство защиты от перенапряжений-PT-IQ-1X2+F-5DC-PT
    Заказать
    Быстрый просмотр
    Штекерный модуль для защиты от перенапряжений, тип 2-VAL-MS 750/30-ST Штекерный модуль для защиты от перенапряжений, тип 2-VAL-MS 750/30-ST Штекерный модуль для защиты от перенапряжений, тип 2-VAL-MS 750/30-ST
    Штекерный модуль для защиты от перенапряжений, тип 2-VAL-MS 750/30-ST
    Заказать
    Быстрый просмотр
    Устройство защиты от перенапряжений-D-LAN-19-4 Устройство защиты от перенапряжений-D-LAN-19-4 Устройство защиты от перенапряжений-D-LAN-19-4
    Устройство защиты от перенапряжений-D-LAN-19-4
    Заказать
    Быстрый просмотр
    Устройство защиты от перенапряжений-C-UFB-5DC/E 75 Устройство защиты от перенапряжений-C-UFB-5DC/E 75
    Устройство защиты от перенапряжений-C-UFB-5DC/E 75
    Заказать
    Быстрый просмотр
    Устройство защиты от перенапряжений-D-LAN-CAT.5-FP Устройство защиты от перенапряжений-D-LAN-CAT.5-FP Устройство защиты от перенапряжений-D-LAN-CAT.5-FP
    Устройство защиты от перенапряжений-D-LAN-CAT.5-FP
    Заказать
    Быстрый просмотр
    Устройство защиты от перенапряжений-TTC-6-1X2-24DC-PT Устройство защиты от перенапряжений-TTC-6-1X2-24DC-PT Устройство защиты от перенапряжений-TTC-6-1X2-24DC-PT Устройство защиты от перенапряжений-TTC-6-1X2-24DC-PT Устройство защиты от перенапряжений-TTC-6-1X2-24DC-PT
    Устройство защиты от перенапряжений-TTC-6-1X2-24DC-PT
    Заказать
    Быстрый просмотр
    Устройство защиты от перенапряжений-PT-IQ-1X2-24DC-PT Устройство защиты от перенапряжений-PT-IQ-1X2-24DC-PT Устройство защиты от перенапряжений-PT-IQ-1X2-24DC-PT Устройство защиты от перенапряжений-PT-IQ-1X2-24DC-PT Устройство защиты от перенапряжений-PT-IQ-1X2-24DC-PT
    Устройство защиты от перенапряжений-PT-IQ-1X2-24DC-PT
    Заказать
    Быстрый просмотр
    Устройство защиты от перенапряжений-MT-TTY-1 Устройство защиты от перенапряжений-MT-TTY-1 Устройство защиты от перенапряжений-MT-TTY-1 Устройство защиты от перенапряжений-MT-TTY-1
    Устройство защиты от перенапряжений-MT-TTY-1
    Заказать
    Быстрый просмотр
    Устройство защиты от перенапряжений-D-LAN-19-16 Устройство защиты от перенапряжений-D-LAN-19-16 Устройство защиты от перенапряжений-D-LAN-19-16
    Устройство защиты от перенапряжений-D-LAN-19-16
    Заказать
    Быстрый просмотр
    Устройство защиты от перенапряжений-TTC-6-MOV-C-48DC-PT-I Устройство защиты от перенапряжений-TTC-6-MOV-C-48DC-PT-I Устройство защиты от перенапряжений-TTC-6-MOV-C-48DC-PT-I Устройство защиты от перенапряжений-TTC-6-MOV-C-48DC-PT-I Устройство защиты от перенапряжений-TTC-6-MOV-C-48DC-PT-I
    Устройство защиты от перенапряжений-TTC-6-MOV-C-48DC-PT-I
    Заказать
    Быстрый просмотр
    Штекерный модуль для защиты от перенапр-й-PT-IQ-5-HF-12DC-P Штекерный модуль для защиты от перенапр-й-PT-IQ-5-HF-12DC-P
    Штекерный модуль для защиты от перенапр-й-PT-IQ-5-HF-12DC-P
    Заказать
    Быстрый просмотр
    Устройство защиты от перенапряжений-D-LAN-19-8 Устройство защиты от перенапряжений-D-LAN-19-8 Устройство защиты от перенапряжений-D-LAN-19-8
    Устройство защиты от перенапряжений-D-LAN-19-8
    Заказать
    Страницы: 1 2 14 15 16 17 18 42 43
    301 - 320 из 843
    Категория
    • Phoenix Contact
      • Помехоподавляющие фильтры и защита от импульсных перенапряжений
        • Защита от импульсных перенапряжений для КИПиА
          • Взрывоопасные приложения
          • Зависящие от сопротивления измерения
          • Одноступенчатые устройства защиты
          • Список изделий: принадлежности устройств защиты от перенапряжений для КИПиА
          • Токовые контуры и аналоговые сигналы
          • Цифровые сигналы и коммутационные контакты
        • Защита от перенапряжений для возобновляемых источников энергии
          • Список изделий для ветроэнергетики
          • Список изделий для фотогальваники
        • Защита передающих и принимающих устройств от импульсных перенапряжений
          • Список изделий для теле- и радиосистем
          • Список принадлежностей для устройств защиты передающих и принимающих устройств от перенапряжений
          • Список принимающих и передающих устройств
        • Измерение тока молнии
          • Список систем измерения тока молнии
        • Комплектные решения
          • Список комплектов для зданий
          • Список компонентов подключения генератора для фотогальванических установок
        • Помехоподавляющие фильтры
          • Список фильтров
          • Список фильтров с защитой от перенапряжений, тип 3
        • Разделительный искровой разрядник
        • Тестер для разрядников
          • Список тестеров, тестовых адаптеров и принадлежностей
        • Устройства защиты от импульсных перенапряжений для информационных систем
          • Список принадлежностей устройств защиты от импульсных перенапряжений для информационных систем
          • Список продукции для шинных систем
          • Список телекоммуникационных устройств
        • Устройства защиты от перенапряжений для источников питания
          • Список изделий: принадлежности устройств защиты от перенапряжений для источников питания
          • Список комбинации разрядников: тип 1 + тип 2
          • Список комбинированных решений, тип 2
          • Список молниезащитных разрядников типа 1 со встроенным предохранителем
          • Список разрядников для защиты от грозовых перенапряжений, тип 1
          • Список разрядников для защиты от импульсных перенапряжений, тип 2
          • Список разрядников для защиты от тока молнии/импульсных перенапряжений, тип 1/2
          • Список устройств защиты для американских типов цепей
          • Список устройств защиты приборов, тип 3




    Компания
    О компании
    Каталоги и сертификаты
    Услуги
    Информация
    Новости
    Контакты
    Клиентам
    Каталог
    Доставка
    Политика компании в отношении обработки персональных данных
    Контакты
    +7 (495) 740-06-07
    info@avt-s.ru
     г. Москва, вн. тер. г. муниципальный округ Басманный, проезд Лубянский, д. 27/1, стр. 1, этаж 5, ком. 78
    © 2026 «Автоматизация Технических Систем» (ООО «АВТС»)
    Политика компании в отношении
    обработки персональных данных
    Главная Каталог Контакты Поиск