Продукция
  • Phoenix Contact
    • Блоки питания и ИБП
      • Автономное энергоснабжение
      • Аксессуары
      • Блоки питания
      • Источники бесперебойного питания
      • Преобразователи постоянного тока
      • Резервные модули
    • Инструменты
      • Автоматы
      • Автоматы для снятия изоляции и обжима
      • Инструмент для обжима
      • Инструменты для удаления изоляции
      • Контрольно-измерительные приборы
      • Отвертки
      • Ручной инструмент
    • Кабели и провода
      • Зарядные кабели для электромобилей
      • Кабели для фотогальваники
      • Медный кабель
      • Оптоволоконные кабели
      • Универсальный кабель
    • Кабельная разводка датчиков и исполнительных элементов
      • Кабели для применения в Северной Америке
      • Кабели и штекерные модули клапанов
      • Кабельные соединения специального назначения
      • Подготовленные кабели
      • Приборные соединители
      • Разветвители и адаптеры
      • Распределительные коробки
      • Список изделий: принадлежности
      • Товар на метры
      • Штекерные соединители
    • Клеммные блоки
      • Барьерный разъем
      • Клеммные блоки для перерабатывающей промышленности
      • Клеммные блоки для фотогальваники
      • Клеммы Phoenix Contact с быстрым соединением
      • Клеммы Phoenix Contact с зажимом Push-In
      • Клеммы Phoenix Contact с нестандартным подключением
      • Клеммы Phoenix Contact с пружинным зажимом
      • Клеммы с болтовым соединением Phoenix Contact
      • Клеммы с держателями предохранителей
      • Клеммы Феникс Контакт с винтовым зажимом
      • ПО для проектирования и маркировки
      • Распределительные блоки
      • Электротехнические клеммы для систем защиты и управления
    • Клеммы и штекерные соединители для печатных плат
      • Разъемы для печатных плат
      • Список сильноточных проходных клемм
      • Штекерные разъемы для печатных плат
    • Контрольно-измерительные и регулирующие устройства
      • Защита контрольно-измерительных систем от перенапряжений
      • Измерение тока и напряжения
      • Индикаторы процессов и полевые устройства
      • Программируемые логические контроллеры (ПЛК)
      • Разделительные усилители
      • Реле контроля
      • Список мультиплексоров для сигналов, передаваемых по протоколу HART
      • Управление фотогальваническими установками
    • Корпуса для электроники
      • HMI-компоненты и принадлежности
      • Корпус для установки на монтажную рейку
      • Корпуса полевых устройств
    • Маркировка и нанесение обозначений
      • Маркировка клемм
      • Маркировка оборудования
      • Маркировка проводников и кабелей
      • Маркировка устройств
      • Мобильные системы печати и маркировки
      • ПО для проектирования и маркировки
      • Система RFID для маркировки оборудования и установок
      • Системы печати и маркировки
    • Мониторинг
      • Измерение энергии и мощности
      • Мониторинг и диагностика
      • Сигнализация и индикация
      • Устройства измерения тока и напряжения
    • Монтажный и установочный материал
      • Заземление и экранирование
      • Кабельные вводы
      • Коробки подключения и полые корпуса
      • Монтажная рама штекера
      • Поворотный переключатель
      • Распределительные блоки, безвинтовые клеммы и евроклеммы
      • Розетки и сервисные интерфейсы
      • Система ввода кабеля
      • Система кабелепровода
      • Системы защиты кабеля
      • Электроустановочный материал для электрошкафа
    • Облачная обработка промышленных данных
      • Облачные службы
      • Облачные устройства
      • Срок использования облака
    • Оборудование для зарядки электромобилей
      • Зарядные вставные системы
      • Зарядные контроллеры
      • Комплекты для зарядки
      • Программное обеспечение для управления зарядкой электромобилей
    • Освещение и сигнализация
      • Освещение башен ветросиловых установок
      • Светильники для электрошкафа
      • Сигнальные колонны
      • Сигнальные огни для морских приложений
      • Система управления освещением
      • Станочные светильники
    • ПЛК и системы ввода-вывода
      • Системы ввода-вывода для полевой установки (IP65/67)
      • Системы ввода-вывода для электрошкафов (IP20)
      • Список изделий: принадлежности для систем ввода/вывода
      • Список компонентов для систем ввода-вывода
    • Помехоподавляющие фильтры и защита от импульсных перенапряжений
      • Защита от импульсных перенапряжений для КИПиА
      • Защита от перенапряжений для возобновляемых источников энергии
      • Защита передающих и принимающих устройств от импульсных перенапряжений
      • Измерение тока молнии
      • Комплектные решения
      • Помехоподавляющие фильтры
      • Разделительный искровой разрядник
      • Тестер для разрядников
      • Устройства защиты от импульсных перенапряжений для информационных систем
      • Устройства защиты от перенапряжений для источников питания
    • Программное обеспечение
      • Визуализация
      • Драйвера и интерфейсы
      • Конфигурирование, мониторинг и диагностика
      • Модульная программная платформа
      • Планирование и проектирование
      • ПО для проектирования и маркировки
      • ПО для сетевого управления
      • Программирование
      • Программное обеспечение для электромобильности
      • Удаленное управление и обслуживание
      • Управление и настройка параметров устройств
      • Функциональные блоки
    • Промышленные коммуникационные технологии
      • Industrial Ethernet
      • Передача данных по полевой шине
      • Продукты в соответствии с протоколами
      • Промышленная беспроводная связь
      • Удаленная связь
    • Релейные модули
      • Программируемаяя система логических реле
      • Реле времении
      • Реле контроля
      • Электромеханические и полупроводниковые релейные модули
    • Системная кабельная разводка для контроллеров
      • Cпециальная кабельная разводка для контроллеров
      • Компоненты для дополнительного оснащения и модернизации
      • Распределитель потенциалов
      • Универсальные модули
      • Универсальный кабель
    • Устройства HMI и промышленные ПК
      • Промышленные ПК
      • Устройства HMI
      • Устройства HMI для применения в морских условиях
      • Устройства HMI и промышленные ПК для использования вне помещений
    • Устройства защиты
      • Автоматические защитные выключатели
    • Функциональная безопасность
      • Безопасные разделительные усилители
      • Безопасные устройства ввода-вывода
      • Безопасные устройства управления
      • Коммутационные аппараты систем безопасности
      • Конфигурируемые модули безопасности
    • Штекерные разъемы
      • Блоки для установки плат 19" и пружинные колодки
      • Зарядные вставные системы для электромобилей
      • Клеммы для печатных плат
      • Круглые штекерные разъемы
      • Модульные прямоугольные разъемы
      • Монтажная система
      • Промышленные штекерные соединители
      • Соединители для передачи данных
      • Штекерные соединители для ФГ-систем
      • Этажерочный принцип распределения энергии
    • Электронные коммутационные аппараты и устройства управления двигателем
      • Гибридные пускатели с защитой от короткого замыкания
      • Гибридный пускатель электродвигателя
      • Подключаемые к сети гибридные пускатели электродвигателя
      • Полупроводниковые контакторы
      • Пускатель электродвигателя
      • Управление машинами
      • Управление электродвигателями
  • СТЭЗ
    • Офисные коммутаторы
      • L2/L3 коммутаторы агрегации 10GE
      • TOWER коммутаторы
    • Промышленные коммутаторы
      • Аксессуары
      • Неуправляемые коммутаторы
      • Управляемые коммутаторы L2/L3
  • Finder
    • Вспомогательные элементы и аксессуары
      • 01 Серия
      • 02 Серия
      • 04 Серия
      • 05 Серия
      • 06 Серия
      • 07 Серия
      • 08 Серия
      • 09 Серия
    • Детекторы движения и присутствия
      • 18 Серия
    • Диммеры
      • 15 Серия
    • Импульсные источники питания
      • 78 Серия
    • Модули индикации и защиты
      • 19 Серия
      • 99 Серия
    • Модульные контакторы
      • 22 Серия
    • Реле
      • Интерфейсные модули реле
      • Контрольные реле
      • Модульные твердотельные реле (SSR)
      • Программируемые логические реле
      • Промышленные реле
      • Реле времени
      • Реле для печатного монтажа
      • Реле с принудительным управлением контактами
      • Фотореле
      • Шаговые реле
    • Розетки
      • 90 Серия
      • 92 Серия
      • 93 Серия
      • 94 Серия
      • 95 Серия
      • 96 Серия
      • 97 Серия
    • Светодиодные щитовые светильники
      • 7L Серия
    • Таймеры
      • 14 Серия
      • 80 Серия
      • 81 Серия
      • 83 Серия
      • 84 Серия
      • 85 Серия
      • 86 Серия
      • 88 Серия
    • Устройства защиты от импульсных перенапряжений (УЗИП)
      • 7P серия
    • Щитовое климатическое оборудование
      • 7F Серия
      • 7H Серия
      • 7T Серия
  • Bopla
    • Корпусная техника
      • Alu-Topline
      • Alubos
      • Aluplan
      • Alurail
      • Alustyle
      • Bocard
      • Bocube
      • Bocube Alu
      • BoLink
      • BoPad
      • Bopla-Arteb
      • BOS
      • BOS-Ecoline
      • BOS-Streamline
      • Botego
      • BoTouch
      • Circum
      • CombiCard 1000-3000 / CombiSet 500
      • CombiCard 5000-7000
      • CombiNorm-Classic
      • CombiNorm-Compact
      • CombiNorm-Connect
      • Combirail
      • Elegant
      • Elegant-Pult
      • Element / Universal
      • Elesett / Eletec
      • Euromas ABS / PC
      • Euromas Aluminium / Euromas F05
      • Euromas II
      • Euromas Polyester
      • Euromas Polymas
      • Filotec
      • Futura / Portas / Bopult
      • Internorm
      • Internorm Stil
      • Intertego
      • Interzoll
      • Interzoll Case
      • Interzoll Modul
      • Interzoll Plus
      • RegloCard-Plus / Combifront / InterCard
      • Tastomat
      • UDS Universal-Docking-Station
      • Ultramas
      • Ultrapult
      • Unimas
      • Uninorm
      • Винтовые соединения кабелей, общая дополнительная оснастка
    • Плёночные клавиатуры
      • для BOPLA-Arteb
      • для BOS
      • для Elegant
      • С тактильным эффектом и без тактильного эффекта
  • Rose
    • Взрывозащищенное оборудование
      • Взрывозащищенные клеммные коробки (Ex ia, Ex e, Ex d) из алюминия, полиэстера и нержавеющей стали
      • Взрывозащищенные посты управления
    • Кабельные вводы
      • Взрывозащищенные кабельные вводы
      • Индустриальные кабельные вводы
    • Корпуса для задач автоматизации, измерения и контроля
      • Переносные системы управления
      • Стационарные системы управления
    • Продукция
    • Промышленное оборудование
      • Корпуса для электронных компонентов
      • Стандартные корпуса
  • WAGO
    • Автоматизация WAGO
    • Инструменты для монтажа WAGO
    • Клеммы для светильников WAGO
    • Клеммы на DIN-рейку WAGO
    • Клеммы на печатную плату WAGO
    • Розетки и вилки WAGO
    • Электромонтажные клеммы WAGO
    • Электронные компоненты WAGO
  • ETI
    • Автоматические выключатели
    • Корпуса
    • Предохранители
      • Предохранители цилиндрические
    • Реле
      • Дифференциальные реле
      • Промежуточные электромеханические реле
    • Устройства плавного пуска
    • Частотные преобразователи
  • Rittal
    • Контроль микроклимата
    • Корпуса
    • Электрораспределение
  • CHIKU
    • Винтовые клеммы эконом
    • Заземляющие клеммы
    • Клеммные блоки
    • Клеммы пружинные с монтажом сверху
    • Клеммы с возвратной пружиной
    • Клеммы с пружинным зажимом Push-in
    • Концевой стопор
    • Маркировка
    • Мостики и перемычки
    • Открытые клеммные колодки
    • Принадлежности
    • Проходные клеммы
    • Пружинные клеммы и принадлежности
    • Распределительные блоки
    • Реле
    • Силовые клеммы
    • Соединительные клеммы
    • Ультратонкие релейные модули
    • Универсальные винтовые клеммы
    • Универсальные винтовые клеммы Un=1000V
    • Функциональные клеммы
    • Штекеры и разъемы
В наличии
Доставка
Услуги
Новости
Каталоги и сертификаты
О Компании
Контакты
    +7 (495) 740-06-07
    Заказать звонок
    «Автоматизация Технических Систем» (ООО «АВТС»)

    Официальный дистрибьютор
    электротехнического оборудования
    Каталог
    • Phoenix Contact
      Phoenix Contact
      • Блоки питания и ИБП      
        • Автономное энергоснабжение
        • Аксессуары
        • Блоки питания
        • Источники бесперебойного питания
        • Преобразователи постоянного тока
        • Резервные модули
      • Инструменты      
        • Автоматы
        • Автоматы для снятия изоляции и обжима
        • Инструмент для обжима
        • Инструменты для удаления изоляции
        • Контрольно-измерительные приборы
        • Отвертки
        • Ручной инструмент
      • Кабели и провода      
        • Зарядные кабели для электромобилей
        • Кабели для фотогальваники
        • Медный кабель
        • Оптоволоконные кабели
        • Универсальный кабель
      • Кабельная разводка датчиков и исполнительных элементов      
        • Кабели для применения в Северной Америке
        • Кабели и штекерные модули клапанов
        • Кабельные соединения специального назначения
        • Подготовленные кабели
        • Приборные соединители
        • Разветвители и адаптеры
        • Распределительные коробки
        • Список изделий: принадлежности
        • Товар на метры
        • Штекерные соединители
      • Клеммные блоки      
        • Барьерный разъем
        • Клеммные блоки для перерабатывающей промышленности
        • Клеммные блоки для фотогальваники
        • Клеммы Phoenix Contact с быстрым соединением
        • Клеммы Phoenix Contact с зажимом Push-In
        • Клеммы Phoenix Contact с нестандартным подключением
        • Клеммы Phoenix Contact с пружинным зажимом
        • Клеммы с болтовым соединением Phoenix Contact
        • Клеммы с держателями предохранителей
        • Клеммы Феникс Контакт с винтовым зажимом
        • ПО для проектирования и маркировки
        • Распределительные блоки
        • Электротехнические клеммы для систем защиты и управления
      • Клеммы и штекерные соединители для печатных плат      
        • Разъемы для печатных плат
        • Список сильноточных проходных клемм
        • Штекерные разъемы для печатных плат
      • Контрольно-измерительные и регулирующие устройства      
        • Защита контрольно-измерительных систем от перенапряжений
        • Измерение тока и напряжения
        • Индикаторы процессов и полевые устройства
        • Программируемые логические контроллеры (ПЛК)
        • Разделительные усилители
        • Реле контроля
        • Список мультиплексоров для сигналов, передаваемых по протоколу HART
        • Управление фотогальваническими установками
      • Корпуса для электроники      
        • HMI-компоненты и принадлежности
        • Корпус для установки на монтажную рейку
        • Корпуса полевых устройств
      • Маркировка и нанесение обозначений      
        • Маркировка клемм
        • Маркировка оборудования
        • Маркировка проводников и кабелей
        • Маркировка устройств
        • Мобильные системы печати и маркировки
        • ПО для проектирования и маркировки
        • Система RFID для маркировки оборудования и установок
        • Системы печати и маркировки
      • Мониторинг      
        • Измерение энергии и мощности
        • Мониторинг и диагностика
        • Сигнализация и индикация
        • Устройства измерения тока и напряжения
      • Монтажный и установочный материал      
        • Заземление и экранирование
        • Кабельные вводы
        • Коробки подключения и полые корпуса
        • Монтажная рама штекера
        • Поворотный переключатель
        • Распределительные блоки, безвинтовые клеммы и евроклеммы
        • Розетки и сервисные интерфейсы
        • Система ввода кабеля
        • Система кабелепровода
        • Системы защиты кабеля
        • Электроустановочный материал для электрошкафа
      • Облачная обработка промышленных данных      
        • Облачные службы
        • Облачные устройства
        • Срок использования облака
      • Оборудование для зарядки электромобилей      
        • Зарядные вставные системы
        • Зарядные контроллеры
        • Комплекты для зарядки
        • Программное обеспечение для управления зарядкой электромобилей
      • Освещение и сигнализация      
        • Освещение башен ветросиловых установок
        • Светильники для электрошкафа
        • Сигнальные колонны
        • Сигнальные огни для морских приложений
        • Система управления освещением
        • Станочные светильники
      • ПЛК и системы ввода-вывода      
        • Системы ввода-вывода для полевой установки (IP65/67)
        • Системы ввода-вывода для электрошкафов (IP20)
        • Список изделий: принадлежности для систем ввода/вывода
        • Список компонентов для систем ввода-вывода
      • Помехоподавляющие фильтры и защита от импульсных перенапряжений      
        • Защита от импульсных перенапряжений для КИПиА
        • Защита от перенапряжений для возобновляемых источников энергии
        • Защита передающих и принимающих устройств от импульсных перенапряжений
        • Измерение тока молнии
        • Комплектные решения
        • Помехоподавляющие фильтры
        • Разделительный искровой разрядник
        • Тестер для разрядников
        • Устройства защиты от импульсных перенапряжений для информационных систем
        • Устройства защиты от перенапряжений для источников питания
      • Программное обеспечение      
        • Визуализация
        • Драйвера и интерфейсы
        • Конфигурирование, мониторинг и диагностика
        • Модульная программная платформа
        • Планирование и проектирование
        • ПО для проектирования и маркировки
        • ПО для сетевого управления
        • Программирование
        • Программное обеспечение для электромобильности
        • Удаленное управление и обслуживание
        • Управление и настройка параметров устройств
        • Функциональные блоки
      • Промышленные коммуникационные технологии      
        • Industrial Ethernet
        • Передача данных по полевой шине
        • Продукты в соответствии с протоколами
        • Промышленная беспроводная связь
        • Удаленная связь
      • Релейные модули      
        • Программируемаяя система логических реле
        • Реле времении
        • Реле контроля
        • Электромеханические и полупроводниковые релейные модули
      • Системная кабельная разводка для контроллеров      
        • Cпециальная кабельная разводка для контроллеров
        • Компоненты для дополнительного оснащения и модернизации
        • Распределитель потенциалов
        • Универсальные модули
        • Универсальный кабель
      • Устройства HMI и промышленные ПК      
        • Промышленные ПК
        • Устройства HMI
        • Устройства HMI для применения в морских условиях
        • Устройства HMI и промышленные ПК для использования вне помещений
      • Устройства защиты      
        • Автоматические защитные выключатели
      • Функциональная безопасность      
        • Безопасные разделительные усилители
        • Безопасные устройства ввода-вывода
        • Безопасные устройства управления
        • Коммутационные аппараты систем безопасности
        • Конфигурируемые модули безопасности
      • Штекерные разъемы      
        • Блоки для установки плат 19" и пружинные колодки
        • Зарядные вставные системы для электромобилей
        • Клеммы для печатных плат
        • Круглые штекерные разъемы
        • Модульные прямоугольные разъемы
        • Монтажная система
        • Промышленные штекерные соединители
        • Соединители для передачи данных
        • Штекерные соединители для ФГ-систем
        • Этажерочный принцип распределения энергии
      • Электронные коммутационные аппараты и устройства управления двигателем      
        • Гибридные пускатели с защитой от короткого замыкания
        • Гибридный пускатель электродвигателя
        • Подключаемые к сети гибридные пускатели электродвигателя
        • Полупроводниковые контакторы
        • Пускатель электродвигателя
        • Управление машинами
        • Управление электродвигателями
      • Еще
    • СТЭЗ
      СТЭЗ
      • Офисные коммутаторы      
        • L2/L3 коммутаторы агрегации 10GE
        • TOWER коммутаторы
      • Промышленные коммутаторы      
        • Аксессуары
        • Неуправляемые коммутаторы
        • Управляемые коммутаторы L2/L3
    • Finder
      Finder
      • Вспомогательные элементы и аксессуары      
        • 01 Серия
        • 02 Серия
        • 04 Серия
        • 05 Серия
        • 06 Серия
        • 07 Серия
        • 08 Серия
        • 09 Серия
      • Детекторы движения и присутствия      
        • 18 Серия
      • Диммеры      
        • 15 Серия
      • Импульсные источники питания      
        • 78 Серия
      • Модули индикации и защиты      
        • 19 Серия
        • 99 Серия
      • Модульные контакторы      
        • 22 Серия
      • Реле      
        • Интерфейсные модули реле
        • Контрольные реле
        • Модульные твердотельные реле (SSR)
        • Программируемые логические реле
        • Промышленные реле
        • Реле времени
        • Реле для печатного монтажа
        • Реле с принудительным управлением контактами
        • Фотореле
        • Шаговые реле
      • Розетки      
        • 90 Серия
        • 92 Серия
        • 93 Серия
        • 94 Серия
        • 95 Серия
        • 96 Серия
        • 97 Серия
      • Светодиодные щитовые светильники      
        • 7L Серия
      • Таймеры      
        • 14 Серия
        • 80 Серия
        • 81 Серия
        • 83 Серия
        • 84 Серия
        • 85 Серия
        • 86 Серия
        • 88 Серия
      • Устройства защиты от импульсных перенапряжений (УЗИП)      
        • 7P серия
      • Щитовое климатическое оборудование      
        • 7F Серия
        • 7H Серия
        • 7T Серия
      • Еще
    • Bopla
      Bopla
      • Корпусная техника      
        • Alu-Topline
        • Alubos
        • Aluplan
        • Alurail
        • Alustyle
        • Bocard
        • Bocube
        • Bocube Alu
        • BoLink
        • BoPad
        • Bopla-Arteb
        • BOS
        • BOS-Ecoline
        • BOS-Streamline
        • Botego
        • BoTouch
        • Circum
        • CombiCard 1000-3000 / CombiSet 500
        • CombiCard 5000-7000
        • CombiNorm-Classic
        • CombiNorm-Compact
        • CombiNorm-Connect
        • Combirail
        • Elegant
        • Elegant-Pult
        • Element / Universal
        • Elesett / Eletec
        • Euromas ABS / PC
        • Euromas Aluminium / Euromas F05
        • Euromas II
        • Euromas Polyester
        • Euromas Polymas
        • Filotec
        • Futura / Portas / Bopult
        • Internorm
        • Internorm Stil
        • Intertego
        • Interzoll
        • Interzoll Case
        • Interzoll Modul
        • Interzoll Plus
        • RegloCard-Plus / Combifront / InterCard
        • Tastomat
        • UDS Universal-Docking-Station
        • Ultramas
        • Ultrapult
        • Unimas
        • Uninorm
        • Винтовые соединения кабелей, общая дополнительная оснастка
      • Плёночные клавиатуры      
        • для BOPLA-Arteb
        • для BOS
        • для Elegant
        • С тактильным эффектом и без тактильного эффекта
    • Rose
      Rose
      • Взрывозащищенное оборудование      
        • Взрывозащищенные клеммные коробки (Ex ia, Ex e, Ex d) из алюминия, полиэстера и нержавеющей стали
        • Взрывозащищенные посты управления
      • Кабельные вводы      
        • Взрывозащищенные кабельные вводы
        • Индустриальные кабельные вводы
      • Корпуса для задач автоматизации, измерения и контроля      
        • Переносные системы управления
        • Стационарные системы управления
      • Продукция
      • Промышленное оборудование      
        • Корпуса для электронных компонентов
        • Стандартные корпуса
    • WAGO
      WAGO
      • Автоматизация WAGO
      • Инструменты для монтажа WAGO
      • Клеммы для светильников WAGO
      • Клеммы на DIN-рейку WAGO
      • Клеммы на печатную плату WAGO
      • Розетки и вилки WAGO
      • Электромонтажные клеммы WAGO
      • Электронные компоненты WAGO
    • ETI
      ETI
      • Автоматические выключатели
      • Корпуса
      • Предохранители      
        • Предохранители цилиндрические
      • Реле      
        • Дифференциальные реле
        • Промежуточные электромеханические реле
      • Устройства плавного пуска
      • Частотные преобразователи
    • Rittal
      Rittal
      • Контроль микроклимата
      • Корпуса
      • Электрораспределение
    • CHIKU
      CHIKU
      • Винтовые клеммы эконом
      • Заземляющие клеммы
      • Клеммные блоки
      • Клеммы пружинные с монтажом сверху
      • Клеммы с возвратной пружиной
      • Клеммы с пружинным зажимом Push-in
      • Концевой стопор
      • Маркировка
      • Мостики и перемычки
      • Открытые клеммные колодки
      • Принадлежности
      • Проходные клеммы
      • Пружинные клеммы и принадлежности
      • Распределительные блоки
      • Реле
      • Силовые клеммы
      • Соединительные клеммы
      • Ультратонкие релейные модули
      • Универсальные винтовые клеммы
      • Универсальные винтовые клеммы Un=1000V
      • Функциональные клеммы
      • Штекеры и разъемы
      • Еще
    Бренды
    Phoenix Contact СТЭЗ Finder Rose Bopla ETI WAGO Rittal CHIKU
    «Автоматизация Технических Систем» (ООО «АВТС»)
    Каталог
    «Автоматизация Технических Систем» (ООО «АВТС»)
    Телефоны
    +7 (495) 740-06-07
    Заказать звонок
    «Автоматизация Технических Систем» (ООО «АВТС»)
    • +7 (495) 740-06-07
      • Назад
      • Телефоны
      • +7 (495) 740-06-07
      • Заказать звонок
    • info@avt-s.ru
    •  г. Москва, вн. тер. г. муниципальный округ Басманный, проезд Лубянский, д. 27/1, стр. 1, этаж 5, ком. 78
    • Пн. – Пт.: с 9:00 до 18:00
      субб. - вск. - выходные
    Главная
    Phoenix Contact

    Phoenix Contact

    41907 товаров
    Блоки питания и ИБП Блоки питания и ИБП
    Инструменты Инструменты
    Кабели и провода Кабели и провода
    Кабельная разводка датчиков и исполнительных элементов Кабельная разводка датчиков и исполнительных элементов
    Клеммные блоки Клеммные блоки
    Клеммы и штекерные соединители для печатных плат Клеммы и штекерные соединители для печатных плат
    Контрольно-измерительные и регулирующие устройства Контрольно-измерительные и регулирующие устройства
    Корпуса для электроники Корпуса для электроники
    Маркировка и нанесение обозначений Маркировка и нанесение обозначений
    Мониторинг Мониторинг
    Монтажный и установочный материал Монтажный и установочный материал
    Облачная обработка промышленных данных Облачная обработка промышленных данных
    Оборудование для зарядки электромобилей Оборудование для зарядки электромобилей
    Освещение и сигнализация Освещение и сигнализация
    ПЛК и системы ввода-вывода ПЛК и системы ввода-вывода
    Помехоподавляющие фильтры и защита от импульсных перенапряжений Помехоподавляющие фильтры и защита от импульсных перенапряжений
    Программное обеспечение Программное обеспечение
    Промышленные коммуникационные технологии Промышленные коммуникационные технологии
    Релейные модули Релейные модули
    Системная кабельная разводка для контроллеров Системная кабельная разводка для контроллеров
    Устройства HMI и промышленные ПК Устройства HMI и промышленные ПК
    Устройства защиты Устройства защиты
    Функциональная безопасность Функциональная безопасность
    Штекерные разъемы Штекерные разъемы
    Электронные коммутационные аппараты и устройства управления двигателем Электронные коммутационные аппараты и устройства управления двигателем
    Фильтр
    Сначала непопулярные
    Сначала непопулярные
    Сначала популярные
    Фильтр
    Сначала непопулярные
    Сначала непопулярные
    Сначала популярные
    Цена
    Цена
    0
    250
    500
    749
    999
    Показать
    Выбрано: 0 Показать
    Выбрано: 0
    Быстрый просмотр
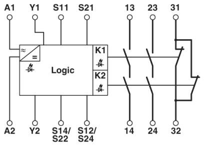
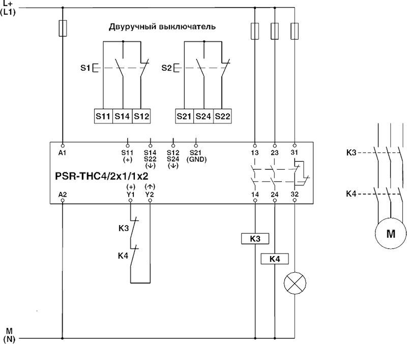
    Реле безопасности-PSR-SCP-24UC/THC4/2X1/1X2 Реле безопасности-PSR-SCP-24UC/THC4/2X1/1X2 Реле безопасности-PSR-SCP-24UC/THC4/2X1/1X2 Реле безопасности-PSR-SCP-24UC/THC4/2X1/1X2
    Реле безопасности-PSR-SCP-24UC/THC4/2X1/1X2
    Реле безопасности для двухпозиционного управления в соответствии с требованиями EN 574, тип IIIC, до SIL 3 или категории 4, PL e согласно EN ISO 13849, одновременный контроль
    0 руб.
    Заказать
    Быстрый просмотр
    Инструмент для удаления изоляции-WIREFOX-MP VDE_DB Инструмент для удаления изоляции-WIREFOX-MP VDE_DB Инструмент для удаления изоляции-WIREFOX-MP VDE_DB Инструмент для удаления изоляции-WIREFOX-MP VDE_DB
    Инструмент для удаления изоляции-WIREFOX-MP VDE_DB
    Многофункциональный инструмент для снятия изоляции, для зачистки проводов 8 ... 13 мм, для снятия изоляции с проводов 0,2 ... 10 мм², с полноценным боковым резаком, согласно VDE 1000 В AC/1500 В DC, упаковка: с держателем для демонстр. стенда (Backcard)
    0 руб.
    Заказать
    Быстрый просмотр
    Шлюз AS-i-ASI MA IL UNI Шлюз AS-i-ASI MA IL UNI
    Шлюз AS-i-ASI MA IL UNI
    Шлюз AS-i для Inline, степень защиты IP20, цвет: зеленый
    0 руб.
    Заказать
    Быстрый просмотр
    Устройство сопряжения с шиной-IL PB BK DP/V1-PAC Устройство сопряжения с шиной-IL PB BK DP/V1-PAC Устройство сопряжения с шиной-IL PB BK DP/V1-PAC Устройство сопряжения с шиной-IL PB BK DP/V1-PAC Устройство сопряжения с шиной-IL PB BK DP/V1-PAC
    Устройство сопряжения с шиной-IL PB BK DP/V1-PAC
    Inline, Устройство сопряжения с шиной, PROFIBUS DP, Гнездо D-SUB-9, скорость передачи данных в локальной шине: 500 кбит/с, cтепень защиты: IP20, вкл. штекер Inline и поле для маркировки
    0 руб.
    Заказать
    Быстрый просмотр
    Сотовые клеммы-PTMC 1,5-2 /BU Сотовые клеммы-PTMC 1,5-2 /BU Сотовые клеммы-PTMC 1,5-2 /BU Сотовые клеммы-PTMC 1,5-2 /BU Сотовые клеммы-PTMC 1,5-2 /BU
    Сотовые клеммы-PTMC 1,5-2 /BU
    Сотовые клеммы, номинальное напряжение: 500 В, номинальный ток: 17,5 A, cечение: 0,14 мм² - 2,5 мм², AWG: 14 - 26, тип подключения: Зажимы Push-in, полюсов: 1, количество подключений: 4, ширина: 11 мм, длина: 8,6 мм, цвет: cерый, цвет элементов подключения: синий, монтаж: крепление защелками на адаптере для монтажной рейки, крепление защелками на фланце крышки
    0 руб.
    Заказать
    Быстрый просмотр
    Релейный модуль-RIF-2-RSC-LDP-24DC/4X21 Релейный модуль-RIF-2-RSC-LDP-24DC/4X21 Релейный модуль-RIF-2-RSC-LDP-24DC/4X21 Релейный модуль-RIF-2-RSC-LDP-24DC/4X21 Релейный модуль-RIF-2-RSC-LDP-24DC/4X21
    Релейный модуль-RIF-2-RSC-LDP-24DC/4X21
    Смонтированный релейный модуль с винтовым зажимом: цоколь реле, реле с силовыми контактами и поддерживающая скоба. Исполнение контактов: 4 переключающих. Входное напряжение: 24 В пост. тока
    0 руб.
    Заказать
    Быстрый просмотр
    Термомагнитный защитный выключатель-CB TM1 2A SFB P Термомагнитный защитный выключатель-CB TM1 2A SFB P Термомагнитный защитный выключатель-CB TM1 2A SFB P Термомагнитный защитный выключатель-CB TM1 2A SFB P Термомагнитный защитный выключатель-CB TM1 2A SFB P
    Термомагнитный защитный выключатель-CB TM1 2A SFB P
    Термомагнитный защитный выключатель, 1-полюсный, характеристика срабатывания SFB, 1 переключающий контакт, штекер для базового элемента.
    0 руб.
    Заказать
    Быстрый просмотр
    Перемычка-FBS 50-5 BU Перемычка-FBS 50-5 BU Перемычка-FBS 50-5 BU Перемычка-FBS 50-5 BU Перемычка-FBS 50-5 BU
    Перемычка-FBS 50-5 BU
    Перемычка, размер шага: 5,2 мм, полюсов: 50, цвет: синий
    0 руб.
    Заказать
    Быстрый просмотр
    Разделители сигналов-MINI MCR-SL-UI-2I-SP-NC Разделители сигналов-MINI MCR-SL-UI-2I-SP-NC Разделители сигналов-MINI MCR-SL-UI-2I-SP-NC
    Разделители сигналов-MINI MCR-SL-UI-2I-SP-NC
    Разделитель MCR на два вых. канала с гальванически развязанными 4 цепями, для гальв. развязки и распределения аналог. сигналов по 2 каналам, пружинные клеммы, станд. конфигурация.
    0 руб.
    Заказать
    Быстрый просмотр
    Функциональный модуль-FL WLAN 2100 Функциональный модуль-FL WLAN 2100 Функциональный модуль-FL WLAN 2100 Функциональный модуль-FL WLAN 2100 Функциональный модуль-FL WLAN 2100
    Функциональный модуль-FL WLAN 2100
    Точка доступа WLAN, клиент с двумя внутренними антеннами (MIMO) для монтажа в одном отверстии, IP66/68, WLAN 802.11 a, b, g, n, частота: 2,4 ГГц, 5 ГГц (вкл. каналы DFS), разъемы: COMBICON 18 ... 32 В DC, RJ45: для LAN, веб, http/https, CLI
    0 руб.
    Заказать
    Быстрый просмотр
    Реле времени-ETD-BL-1T-ON-CC-300MIN Реле времени-ETD-BL-1T-ON-CC-300MIN
    Реле времени-ETD-BL-1T-ON-CC-300MIN
    Реле времени с задержкой включения (с управляющим контактом), с регулируемым временным промежутком (3 - 300 минут), с винтовыми зажимами
    0 руб.
    Заказать
    Быстрый просмотр
    Концентратор Ethernet-FL HUB 16TX-ZF
    Концентратор Ethernet-FL HUB 16TX-ZF
    Монтируемый на несущую рейку сетевой коммутатор Ethernet с 16 портами RJ45, поддерживает Ethernet со скоростью 10 Мбит/с, а также 100 Мбит/с
    0 руб.
    Заказать
    Быстрый просмотр
    Корпус для электроники-EM-MP 45N Корпус для электроники-EM-MP 45N Корпус для электроники-EM-MP 45N
    Корпус для электроники-EM-MP 45N
    Монтажное основание с резьбовыми отверстиями для установки электрических устройств типоразмера 0
    0 руб.
    Заказать
    Быстрый просмотр
    Сумка для инструментов, не укомплектованая-RFMARK UHF/BELTPOUCH
    Сумка для инструментов, не укомплектованая-RFMARK UHF/BELTPOUCH
    Поясная сумка, с ремешком, управление сенсорным экраном
    0 руб.
    Заказать
    Быстрый просмотр
    Электронный защитный выключатель-CBM E4 24DC/0.5-10A NO-R Электронный защитный выключатель-CBM E4 24DC/0.5-10A NO-R Электронный защитный выключатель-CBM E4 24DC/0.5-10A NO-R Электронный защитный выключатель-CBM E4 24DC/0.5-10A NO-R Электронный защитный выключатель-CBM E4 24DC/0.5-10A NO-R
    Электронный защитный выключатель-CBM E4 24DC/0.5-10A NO-R
    Многоканальный электронный автоматический выключатель с активным ограничением тока для защиты четырех потребителей сети 24 В DC в случае перегрузки или короткого замыкания. С функцией поддержания номинального тока и электронной фиксацией настроенных номинальных токов. Для установки на DIN-рейки.
    0 руб.
    Заказать
    Быстрый просмотр
    Клеммный блок-PT 2,5-TWIN-DIO/L-R Клеммный блок-PT 2,5-TWIN-DIO/L-R
    Клеммный блок-PT 2,5-TWIN-DIO/L-R
    Клеммный блок, со встроенным диодом 1N4007, номинальное напряжение: 800 В, номинальный ток: 0,5 A, тип подключения: Зажимы Push-in, количество точек подсоединения: 3, cечение:0,14 мм² - 4 мм², AWG: 26 - 12, ширина: 5,2 мм, цвет: cерый, тип монтажа: NS 35/7,5, NS 35/15
    0 руб.
    Заказать
    Быстрый просмотр
    Плоскогубцы-MICROFOX-F ESD Плоскогубцы-MICROFOX-F ESD
    Плоскогубцы-MICROFOX-F ESD
    Плоскогубцы ESD, с гладкими губками, с открывающей пружиной, с антибликовым покрытием, фосфатированные, 2-компонентная ручка
    0 руб.
    Заказать
    Быстрый просмотр
    Комплект штекеров-IBS CCO-R/L
    Комплект штекеров-IBS CCO-R/L
    Соединитель под пайку для комплекта шинных соединителей M23, штыревой / гнездовой, 9-контактный (8+1)
    0 руб.
    Заказать
    Быстрый просмотр
    Источники питания-MINI-PS-100-240AC/2X15DC/1 Источники питания-MINI-PS-100-240AC/2X15DC/1
    Источники питания-MINI-PS-100-240AC/2X15DC/1
    Источник питания MINI POWER с регулированием в первичной цепи, для установки на несущую рейку, вход: 1-фазный, выход: 2х 15 В DC / 1 А
    0 руб.
    Заказать
    Быстрый просмотр
    Модуль расширения-PSR-MC82-5NO-1NC-1DO-24DC-SC Модуль расширения-PSR-MC82-5NO-1NC-1DO-24DC-SC Модуль расширения-PSR-MC82-5NO-1NC-1DO-24DC-SC
    Модуль расширения-PSR-MC82-5NO-1NC-1DO-24DC-SC
    Расширение контактов до SILCL 3, кат. 4, PL e в сочетании с подходящим устройством обработки данных, 5 цепей активации, U S = 24 В пост. тока, вставная винтовая клемма
    0 руб.
    Заказать
    Страницы: 1 2 1966 1967 1968 1969 1970 2095 2096
    39341 - 39360 из 41907
    Категория
    • Phoenix Contact
      • Блоки питания и ИБП
        • Автономное энергоснабжение
          • Список изделий: запасные части и принадлежности
          • Список фотоэлектрических систем
        • Аксессуары
        • Блоки питания
          • Блоки питания с базовыми функциями
          • Блоки питания с широчайшим функционалом
          • Блоки питания со стандартным набором функций
          • Источники питания для КИП и систем управления
          • Источники питания для монтажных распределительных устройств
          • Список изделий: принадлежности
        • Источники бесперебойного питания
          • Буферные модули
          • ИБП для приложений переменного тока
          • ИБП для приложений постоянного тока
          • Конфигурирование и коммуникация
          • Энергоаккумуляторы
        • Преобразователи постоянного тока
          • Список изделий MINI POWER
          • Список изделий UNO POWER
          • Список изделий: принадлежности
          • Список продукции QUINT POWER
          • Список продукции QUINT POWER для экстремальных условий
        • Резервные модули
          • Активные резервные модули
          • Диодные модули
          • Список изделий: принадлежности
      • Инструменты
        • Автоматы
          • Автоматические резаки
          • Автоматы для снятия изоляции
          • Устройства для снятия изоляции и обжима
          • Список продукции: Принадлежности
        • Автоматы для снятия изоляции и обжима
          • Запчасти к автоматам для снятия изоляции и обжима
        • Инструмент для обжима
          • Автоматы для обжима
          • Клещи для обжима
          • Список инструментов для обжима
          • Список соединителей
        • Инструменты для удаления изоляции
          • Автоматические инструменты для удаления изоляции
          • Стрипперы для снятия изоляции
        • Контрольно-измерительные приборы
          • Мультиметры
        • Отвертки
          • Динамометрические отвертки
          • Наборы отверток
          • Наконечники (биты) для отверток
          • Ключи
          • Прочее
        • Ручной инструмент
          • Инструмент для снятия изоляции
          • Клепальный инструмент
          • Контрольно-измерительные приборы
          • Мобильное автоматическое устройство для снятия изоляции и обжима
          • Наборы инструментов
          • Отвертка
          • Режущий инструмент
          • Резак для профилей и шин
          • Список инструмента с индивидуальной маркировкой на заказ
          • Список продукции: Принадлежности
          • Универсальный инструмент
          • Электронный инструмент
      • Кабели и провода
        • Зарядные кабели для электромобилей
          • Зарядный кабель переменного тока
          • Принадлежности для зарядных кабелей
        • Кабели для фотогальваники
          • Список инструментов и принадлежностей
          • Список продукции, реализуемой метражом
        • Медный кабель
          • Список инструментов и принадлежностей
          • Список кабелей с установленными разъемами
          • Список продукции, реализуемой метражом
        • Оптоволоконные кабели
          • Список инструментов и принадлежностей
          • Список кабелей с установленными разъемами
          • Список продукции, реализуемой метражом
        • Универсальный кабель
          • Список универсальных кабелей
      • Кабельная разводка датчиков и исполнительных элементов
        • Кабели для применения в Северной Америке
          • Изделия для разводки во взрывоопасных областях
          • Кабели для датчика, исполнительного элемента
          • Кабели для передачи данных
        • Кабели и штекерные модули клапанов
          • Список готовых кабелей
          • Список штекерных адаптеров для электромагнитных клапанов
          • Список штекерных модулей клапанов для устройств наружного использования
          • Список штекерных модулей клапанов с функцией снижения энергозатрат
          • Список штекерных соединителей
        • Кабельные соединения специального назначения
          • Кабели для применения в железнодорожной промышленности
          • Кабели для применения в пищевой промышленности
          • Кабельная разводка для применения вне помещений
          • Кабельная разводка для роботов и тяговых цепей
          • Кабельные соединения М12 для силовых устройств
        • Подготовленные кабели
          • Кабельная продукция для североамериканского рынка
          • Кабельная продукция с круглыми разъемами
          • Кабельная продукция со штекерами для клапанов
        • Приборные соединители
          • Список приборных соединителей
        • Разветвители и адаптеры
          • Список адаптеров
          • Список разветвителей
        • Распределительные коробки
          • Список распределительных коробок с гнездами от М5 до М12
          • Список распределительных коробок с применением технологии быстрого подключения
          • Список соединительных колпачков
        • Список изделий: принадлежности
        • Товар на метры
          • Список продукции, реализуемой метражом
        • Штекерные соединители
          • Список штекерных соединителей
          • Список штекеров для клапанов
      • Клеммные блоки
        • Барьерный разъем
          • Список гибридных клемм для установки на монтажную рейку
          • Список многопроводных клемм с зажимами push-in для установки на несущей рейке
          • Список проходных клемм для прямого монтажа
          • Список проходных клемм для установки на монтажную рейку
        • Клеммные блоки для перерабатывающей промышленности
          • Клеммные блоки для взрывоопасной области
          • Коробки подключения и полые корпуса
          • Распределительные соединители и распределители потенциалов
          • Сотовые клеммы
        • Клеммные блоки для фотогальваники
          • Диодные клеммы
          • Клеммные блоки от 1000х В
          • Клеммы с размыкателями
          • Список клеммных потенциальных блоков
        • Клеммы Phoenix Contact с быстрым соединением
          • Гибридные клеммы
          • Клеммные модули для подключения нескольких проводников
          • Клеммы конструктивных элементов
          • Многоярусные клеммы
          • Проходные клеммы
          • Разделительные клеммы и клеммы с ножевыми размыкателями
        • Клеммы Phoenix Contact с зажимом Push-In
          • Вставные клеммы
          • Гибридные клеммы
          • Заземляющие клеммы
          • Клеммы для датчика, исполнительного элемента
          • Клеммы для подключения электродвигателя
          • Клеммы конструктивных элементов
          • Мини- и микроклеммы
          • Многовыводные клеммы
          • Многоярусные клеммы
          • Монтажные клеммы
          • Проходные клеммы
          • Распределительные блоки
          • Распределительные соединители и распределители потенциалов
          • Силовые клеммные блоки
          • Сотовые клеммы
          • Штекерная система контроля
        • Клеммы Phoenix Contact с нестандартным подключением
          • Барьерный разъем
          • Сотовые клеммы
          • Список разъемов TERMI-POINT®
          • Список соединений для плоского штекера
        • Клеммы Phoenix Contact с пружинным зажимом
          • Гибридные клеммы
          • Заземляющие клеммы
          • Клеммы для подключения электродвигателя
          • Клеммы конструктивных элементов
          • Клеммы с держателями предохранителей
          • Многовыводные клеммы
          • Многоярусные клеммы
          • Установочные клеммы
        • Клеммы с болтовым соединением Phoenix Contact
          • Заземляющие клеммы
          • Проходные клеммы
          • Штекерная система контроля
        • Клеммы с держателями предохранителей
        • Клеммы Феникс Контакт с винтовым зажимом
          • Высокотемпературные клеммы
          • Гибридные клеммы
          • Заземляющие клеммы
          • Клеммы для датчика/исполнительного элемента
          • Клеммы для подключения электродвигателя
          • Клеммы конструктивных элементов
          • Многовыводные клеммы
          • Многоярусные клеммы
          • Проходные клеммы
          • Распределительные блоки
          • Сильноточные клеммы
          • Установочные клеммы
          • Штекерная система контроля
        • ПО для проектирования и маркировки
          • Список изделий CLIP PROJECT
        • Распределительные блоки
          • Адаптеры для установки на несущую рейку или прямого монтажа распределительных блоков с push-in
          • Список блоков для подключения устройств с винтовыми зажимами
          • Список распределительных блоков с винтовыми зажимами
          • Список распределительных блоков с зажимом push-in
          • Список распределительных блоков с зажимом push-in для приклеивания
          • Список распределительных блоков с зажимом push-in для установки на несущей рейке
          • Список распределительных клемм с зажимом push-in
        • Электротехнические клеммы для систем защиты и управления
          • Клеммы с барьерным разъемом Phoenix Contact
          • Клеммы с размыкателями для измерительных трансформаторов
          • Поворотный переключатель
          • Распределительные соединители и распределители потенциалов
          • Сотовые клеммы
          • Штекерная система контроля
      • Клеммы и штекерные соединители для печатных плат
        • Разъемы для печатных плат
          • Списки штекерных разъемов для печатных плат
        • Список сильноточных проходных клемм
        • Штекерные разъемы для печатных плат
      • Контрольно-измерительные и регулирующие устройства
        • Защита контрольно-измерительных систем от перенапряжений
          • Взрывоопасные приложения
          • Зависящие от сопротивления измерения
          • Одноступенчатые устройства защиты
          • Токовые контуры и аналоговые сигналы
          • Цифровые сигналы и коммутационные контакты
        • Измерение тока и напряжения
          • Вставной трансформатор тока
          • Дополнительные трансформаторы тока
          • Измерительные преобразователи перем. тока
          • Измерительные преобразователи, пер./пост. ток
          • Список измерительных преобразователей напряжения, постоянный и переменный ток
          • Список реле ограничения тока до 16 A перем. тока
        • Индикаторы процессов и полевые устройства
          • Список измерительных преобразователей и принадлежностей
          • Список измерительных преобразователей температуры с питанием от контура
          • Список измерительных преобразователей температуры с питанием от контура Ex i
          • Список индикаторов параметров процессов и принадлежностей
          • Список индикаторов параметров процессов и принадлежностей Ex i
          • Список искробезопасных измерительных преобразователей и принадлежностей
        • Программируемые логические контроллеры (ПЛК)
          • Зарядные контроллеры для электромобилей
          • Контроллер для инфраструктуры зданий
          • Программируемые логические контроллеры
        • Разделительные усилители
          • Искробезопасные разделительные усилители с классом функциональной безопасности
          • Компактные разделительные усилители
          • Компактные разделительные усилители со вставными разъемами
          • Разделительные усилители с возможностью подключения к шине и сети
          • Системная кабельная разводка для разделительных соединителей
        • Реле контроля
          • Компактные реле контроля
          • Многофункциональные реле контроля
        • Список мультиплексоров для сигналов, передаваемых по протоколу HART
        • Управление фотогальваническими установками
          • Контроль ФГ-цепи
          • ПО для мониторинга для контроля состояния солнечных установок
          • Подключение генератора
          • Системы управления сегментами
      • Корпуса для электроники
        • HMI-компоненты и принадлежности
          • Адаптер для монтажной рейки UTA
          • Список дисплеев
          • Список оптоволоконных кабелей
          • Список пленочных клавиатур
        • Корпус для установки на монтажную рейку
          • Базовые корпуса EH
          • Корпус из экструдированного профиля UM-ALU
          • Корпус из экструдированного профиля UM-BASIC
          • Корпус из экструдированного профиля UM-PRO
          • Многофункциональные корпуса ME-IO
          • Многофункциональные корпуса ME-PLC
          • Модульные корпуса BC
          • Модульные корпуса ME
          • Модульные корпуса ME-MAX
          • Модульные корпуса для приложений Raspberry Pi
          • Сборочные комплекты для разработчиков
        • Корпуса полевых устройств
          • Держатели дисплеев DCS
          • Корпуса ECS для применения под открытым небом
          • Корпуса для портативных устройств HCS
          • Профилированные корпуса HC-ALU
          • Универсальные корпуса UCS
      • Маркировка и нанесение обозначений
        • Маркировка клемм
          • Маркировка для клемм с надписями на заказ
        • Маркировка оборудования
          • Список маркировки оборудования
          • Список продукции: маркировка для оборудования с надписями на заказ
        • Маркировка проводников и кабелей
          • Маркировка проводников и кабелей с индивидуальными надписями на заказ
        • Маркировка устройств
          • Держатели маркировочных табличек
          • Маркировка для устройств с индивидуальными надписями на заказ
        • Мобильные системы печати и маркировки
          • Список маркировочных материалов для THERMOFOX
          • Список маркировочных материалов для THERMOMARK PRIME
          • Список принадлежностей для THERMOFOX
          • Список принадлежностей для THERMOMARK PRIME
          • Список продукции THERMOFOX
          • Список продукции THERMOMARK PRIME
        • ПО для проектирования и маркировки
          • Список изделий CLIP PROJECT
        • Система RFID для маркировки оборудования и установок
          • Список материалов для маркировки
          • Список принадлежностей
          • Список считывающих устройств
        • Системы печати и маркировки
          • Мобильные системы термопечатающих принтеров
          • Непосредственное нанесение маркировки лазером
          • Плоттер и система гравировки
          • Система печати UV-LED
          • Системы термопечатающих принтеров
      • Мониторинг
        • Измерение энергии и мощности
          • Устройства регистрации данных
          • Штекерная система контроля
          • Энергоизмерительные устройства
        • Мониторинг и диагностика
          • AC-USV с технологией IQ
          • DC-USV с технологией IQ
          • Диодные модули
          • Дистанционное управление
          • Измерение тока молнии
          • Контрольные ламповые модули
          • Мониторинг месторождений
          • Программное обеспечение для конфигурирования, мониторинга и диагностики
          • Управление двигателем
          • Управление фотогальваническими установками
        • Сигнализация и индикация
          • Индикаторные СИД-модули
          • Индикаторы процессов и полевые устройства
          • Сигнальные колонны
          • Сигнальные огни для морских приложений
          • Устройства HMI
        • Устройства измерения тока и напряжения
          • Вставной трансформатор тока
          • Дополнительные трансформаторы тока
          • Измерительные преобразователи перем. тока
          • Измерительные преобразователи, пер./пост. ток
          • Список измерительных преобразователей напряжения, постоянный и переменный ток
          • Список реле ограничения тока до 16 A перем. тока
          • Штекерная система контроля
      • Монтажный и установочный материал
        • Заземление и экранирование
        • Кабельные вводы
          • Список кабельных вводов для взрывоопасных зон
          • Список стандартных кабельных вводов
        • Коробки подключения и полые корпуса
          • Взрывобезопасный полый корпус из полиэфира
          • Кабельные вводы
          • Полые корпуса из полиэфира
          • Полый взрывобезопасный корпус из нержавеющей стали
        • Монтажная рама штекера
          • Список монтажных рам штекеров
        • Поворотный переключатель
          • Список продукции: Поворотные переключатели
        • Распределительные блоки, безвинтовые клеммы и евроклеммы
          • Адаптеры для установки на несущую рейку или прямого монтажа распределительных блоков с push-in
          • Евроклеммы
          • Список распределительных блоков с винтовыми зажимами
          • Список распределительных блоков с зажимом push-in
          • Список распределительных блоков с зажимом push-in для приклеивания
          • Список распределительных блоков с зажимом push-in для установки на несущей рейке
          • Список распределительных клемм с зажимом push-in
          • Список розеточных клемм
          • Список соединительных блоков с винтовыми зажимами
        • Розетки и сервисные интерфейсы
          • Список продукции: Сервисные интерфейсы
          • Список продукции: Сервисные розетки
          • Список розеток
        • Система ввода кабеля
          • Список продукции: модульная система ввода подготовленных кабелей
          • Список продукции: пластины для ввода кабелей
        • Система кабелепровода
          • Список систем кабелепровода
        • Системы защиты кабеля
          • Принадлежности для защиты кабеля
          • Список защитных рукавов
        • Электроустановочный материал для электрошкафа
          • Список защитных профилейй
          • Список изделий для несущей рейки
          • Список кабельных каналов
          • Список клемм питания
          • Список концевых держателей
          • Список общих шин нейтрали
          • Список опорных стоек
          • Список ответвительных клемм
          • Список продукции: Группирование кабелей
          • Список розеток
      • Облачная обработка промышленных данных
        • Облачные службы
          • Список облачных служб
        • Облачные устройства
          • Список облачных устройств
        • Срок использования облака
          • Список сроков использования облака
      • Оборудование для зарядки электромобилей
        • Зарядные вставные системы
          • Зарядный кабель переменного тока
          • Зарядный кабель постоянного тока
          • Инфраструктурные зарядные розетки переменного тока
          • Принадлежности для штекерных зарядных систем
        • Зарядные контроллеры
          • Зарядные контроллеры переменного тока
          • Контроль разностного тока
        • Комплекты для зарядки
          • Список комплектов для зарядки
        • Программное обеспечение для управления зарядкой электромобилей
          • Список программного обеспечения
      • Освещение и сигнализация
        • Освещение башен ветросиловых установок
          • Список устройств освещения башен
        • Светильники для электрошкафа
          • Список светильников для электрошкафа PLD 400-го класса
          • Список светильников для электрошкафа PLD 600-го класса
        • Сигнальные колонны
          • Акустические элементы
          • Оптические элементы
          • Список изделий: принадлежности
          • Элементы для присоединения и монтажа
        • Сигнальные огни для морских приложений
          • Список сигнальных огней для морских приложений
        • Система управления освещением
          • Список распределительных шкафов системы освещения
        • Станочные светильники
          • Список изделий: принадлежности для станочных светильников PLD
          • Список станочных светильников PLD
      • ПЛК и системы ввода-вывода
        • Системы ввода-вывода для полевой установки (IP65/67)
          • Axioline E – модульно-блочная система ввода-вывода
          • Fieldline Modular – гибкая система ввода-вывода
          • Список компонентов IP65/67
          • Устройства ввода-вывода для AS-Interface
        • Системы ввода-вывода для электрошкафов (IP20)
          • Axioline F — модульная блочная система ввода-вывода
          • Inline — модульная система ввода-вывода
          • Список компонентов IP20
        • Список изделий: принадлежности для систем ввода/вывода
        • Список компонентов для систем ввода-вывода
      • Помехоподавляющие фильтры и защита от импульсных перенапряжений
        • Защита от импульсных перенапряжений для КИПиА
          • Взрывоопасные приложения
          • Зависящие от сопротивления измерения
          • Одноступенчатые устройства защиты
          • Список изделий: принадлежности устройств защиты от перенапряжений для КИПиА
          • Токовые контуры и аналоговые сигналы
          • Цифровые сигналы и коммутационные контакты
        • Защита от перенапряжений для возобновляемых источников энергии
          • Список изделий для ветроэнергетики
          • Список изделий для фотогальваники
        • Защита передающих и принимающих устройств от импульсных перенапряжений
          • Список изделий для теле- и радиосистем
          • Список принадлежностей для устройств защиты передающих и принимающих устройств от перенапряжений
          • Список принимающих и передающих устройств
        • Измерение тока молнии
          • Список систем измерения тока молнии
        • Комплектные решения
          • Список комплектов для зданий
          • Список компонентов подключения генератора для фотогальванических установок
        • Помехоподавляющие фильтры
          • Список фильтров
          • Список фильтров с защитой от перенапряжений, тип 3
        • Разделительный искровой разрядник
        • Тестер для разрядников
          • Список тестеров, тестовых адаптеров и принадлежностей
        • Устройства защиты от импульсных перенапряжений для информационных систем
          • Список принадлежностей устройств защиты от импульсных перенапряжений для информационных систем
          • Список продукции для шинных систем
          • Список телекоммуникационных устройств
        • Устройства защиты от перенапряжений для источников питания
          • Список изделий: принадлежности устройств защиты от перенапряжений для источников питания
          • Список комбинации разрядников: тип 1 + тип 2
          • Список комбинированных решений, тип 2
          • Список молниезащитных разрядников типа 1 со встроенным предохранителем
          • Список разрядников для защиты от грозовых перенапряжений, тип 1
          • Список разрядников для защиты от импульсных перенапряжений, тип 2
          • Список разрядников для защиты от тока молнии/импульсных перенапряжений, тип 1/2
          • Список устройств защиты для американских типов цепей
          • Список устройств защиты приборов, тип 3
      • Программное обеспечение
        • Визуализация
          • Список изделий для визуализации
        • Драйвера и интерфейсы
          • Список интерфейсов дистанционного управления ODP
          • Список интерфейсов передачи данных OPC
        • Конфигурирование, мониторинг и диагностика
          • Список изделий для конфигурирования, мониторинга и диагностики
        • Модульная программная платформа
          • Список инжиниринговых платформ
        • Планирование и проектирование
          • Список продукции для планирования и проектирования
        • ПО для проектирования и маркировки
          • Список изделий CLIP PROJECT
        • ПО для сетевого управления
          • Список ПО для управления сетью
        • Программирование
          • Список продукции для программирования
        • Программное обеспечение для электромобильности
          • Список программных продуктов
        • Удаленное управление и обслуживание
          • Список функций мультиплексора для дооборудования
          • Телеуправление
          • Удаленное управление включенными в сеть промышленными ПК
        • Управление и настройка параметров устройств
          • Список ПО для управления и настройки параметров устройств
        • Функциональные блоки
          • Водоснабжение и канализация
          • Передача и распределение электропитания
          • Солнечная энергия
          • Телеуправление
      • Промышленные коммуникационные технологии
        • Industrial Ethernet
          • Power over Ethernet
          • Кибербезопасность
          • Концентраторы Ethernet
          • Маршрутизаторы и коммутаторы 3-го уровня
          • Медиаконвертеры для Ethernet
          • Монтажные системы для Industrial Ethernet
          • Неуправляемые коммутаторы
          • Последовательные серверы устройств, шлюзы и прокси
          • Расширитель Ethernet
          • Управляемые коммутаторы
        • Передача данных по полевой шине
          • Конвертер и разделитель
          • Монтажные системы
          • Мультиплексоры
          • Расширители и повторители
        • Продукты в соответствии с протоколами
          • CANopen
          • CC-Link
          • DeviceNet™
          • EtherCAT
          • EtherNet/IP™
          • FOUNDATION Fieldbus
          • HART
          • INTERBUS
          • IO-Link
          • Modbus
          • PROFIBUS
          • PROFINET
          • Sercos
          • Varan
          • Интерфейс сенсор-актуатор (AS)
        • Промышленная беспроводная связь
          • Wireless Ethernet
          • Wireless I/O
          • Wireless Serial
          • Антенны и кабели
        • Удаленная связь
          • Аварийное оповещение
          • Дистанционное обслуживание
          • Дистанционное управление
      • Релейные модули
        • Программируемаяя система логических реле
          • Список логических модулей
          • Список принадлежностей
          • Список совместимых аналоговых модулей
          • Список совместимых релейных модулей
        • Реле времении
          • Список продукции: компактные реле времени
          • Список реле времени, 6 мм
          • Список реле времени, многофункциональных
        • Реле контроля
          • Компактные реле контроля
          • Многофункциональные реле контроля
        • Электромеханические и полупроводниковые релейные модули
          • Особо компактные релейные модули
          • Реле сопряжения с принудительной коммутацией
          • Релейные модули для взрывоопасных зон
          • Список многоканальных релейных модулей
          • Список релейных модулей в виде клеммных блоков
          • Список релейных модулей с жестко впаянным реле
          • Универсальная система промышленных реле
      • Системная кабельная разводка для контроллеров
        • Cпециальная кабельная разводка для контроллеров
          • Список изделий: принадлежности
          • Список кабелей
          • Список модулей
          • Список фронтальных адаптеров
        • Компоненты для дополнительного оснащения и модернизации
          • Список адаптеров
        • Распределитель потенциалов
          • Список разветвителей цепей
        • Универсальные модули
          • Список универсальных модулей
        • Универсальный кабель
          • Список универсальных кабелей
      • Устройства HMI и промышленные ПК
        • Промышленные ПК
          • Блочные ПК
          • Панельные ПК
          • Панельные ПК с классом защиты IP65
          • ПК для установки в стойку
          • Планшетные ПК
          • Сенсорные дисплеи
          • Список изделий: принадлежности
        • Устройства HMI
          • Список HMI для приложений с микробраузером
          • Список изделий: принадлежности
          • Список устройств HMI для ПО TSwin
          • Список устройств HMI для ПО Visu+
          • Список устройств HMI для ПО WebVisit
          • Список устройств HMI для приложений HTML5
        • Устройства HMI для применения в морских условиях
          • Список панельных ПК (морских )
          • Список устройств HMI для ПО Visu+ (морских )
          • Список ЧМИ для ПО TSwin (морских )
          • Список ЧМИ для приложений с микробраузером (морских )
        • Устройства HMI и промышленные ПК для использования вне помещений
          • Список панельных ПК (применение вне помещений)
          • Список устройств HMI для ПО TSwin (применение вне помещений)
          • Список устройств HMI для ПО Visu+ (применение вне помещений)
          • Список устройств HMI для ПО WebVisit (применение вне помещений)
          • Список устройств HMI для приложений с микробраузером (вне помещений)
      • Устройства защиты
        • Автоматические защитные выключатели
          • Принадлежности для автоматических выключателейPC
          • Тепловые автоматические выключатели
          • Термомагнитные защитные выключатели
          • Электронные автоматические выключатели
      • Функциональная безопасность
        • Безопасные разделительные усилители
          • Искробезопасные разделительные усилители с классом функциональной безопасности
          • Разделительные усилители с классом функциональной безопасности
          • Системная кабельная разводка для разделительных соединителей
        • Безопасные устройства ввода-вывода
          • Axioline F - безопасные модули ввода-вывода
          • Inline - безопасные устройства ввода-вывода
        • Безопасные устройства управления
          • Список безопасных устройств управления
          • Список изделий для безопасной обработки аналоговых значений
          • Список модулей ввода-вывода
          • Список принадлежностей для безопасных устройств управления
          • Список продукции для программирования устройств обеспечения безопасности
        • Коммутационные аппараты систем безопасности
          • Безопасное реле сопряжения
          • Многофункциональные реле безопасности
          • Реле безопасности
          • Реле частоты вращения и состояния останова
        • Конфигурируемые модули безопасности
          • Список конфигурируемых предохранительных модулей
          • Список продукции: конфигурируемые предохранительные модули
      • Штекерные разъемы
        • Блоки для установки плат 19" и пружинные колодки
          • Список изделий: 19-дюймовые планки с пружинными контактами
          • Список продукции: 19-дюймовые блоки сменных плат
        • Зарядные вставные системы для электромобилей
          • Зарядный кабель переменного тока
          • Зарядный кабель постоянного тока
          • Инфраструктурные зарядные розетки переменного тока
          • Принадлежности для штекерных зарядных систем
        • Клеммы для печатных плат
        • Круглые штекерные разъемы
          • Гибридный штекерный соединитель
          • Сигнальный штекерный разъем
          • Силовые штекерные разъемы
          • Штекерные разъемы для передачи данных
        • Модульные прямоугольные разъемы
          • Список контактных вставок и контактов
          • Список монтажных и соединительных корпусов
          • Список принадлежностей
          • Список сальниковых корпусов
        • Монтажная система
          • Список изделий для монтажной системы QPD
          • Список изделий для монтажной системы QPD во взрывоопасной зоне
          • Список изделий: принадлежности для монтажной системы QPD
        • Промышленные штекерные соединители
          • Кабельные вводы
          • Комплекты штекерных соединителей
          • Контактные вставки и контакты
          • Корпуса
          • Список изделий: принадлежности
        • Соединители для передачи данных
          • Медные разъемы для передачи данных
          • Оптоволоконные разъемы для передачи данных
          • Соединитель для передачи данных по оптоволоконному кабелю
          • Список медных разъемов для передачи данных
        • Штекерные соединители для ФГ-систем
          • Список технологий подключения переменного тока
          • Список технологий подключения постоянного тока
          • Технология подключения перем. тока
          • Технология подключения постоянного тока
        • Этажерочный принцип распределения энергии
          • Список изделий: принадлежности
          • Список контактных вставок
          • Список корпусов
      • Электронные коммутационные аппараты и устройства управления двигателем
        • Гибридные пускатели с защитой от короткого замыкания
          • Список гибридных пускателей с защитой от короткого замыкания
        • Гибридный пускатель электродвигателя
          • Плата распределения питания
          • Список гибридных пускателей электродвигателя
          • Список изделий: принадлежности
        • Подключаемые к сети гибридные пускатели электродвигателя
          • Список сетевых гибридных пускателей электродвигателя
        • Полупроводниковые контакторы
          • Список изделий: принадлежности
          • Список полупроводниковых контакторов
        • Пускатель электродвигателя
          • Список изделий: принадлежности
          • Список пускателей электродвигателя с классом защиты IP54
        • Управление машинами
          • Список устройств управления машинами
        • Управление электродвигателями
          • Список изделий для управления электродвигателем
          • Список изделий: принадлежности




    Компания
    О компании
    Каталоги и сертификаты
    Услуги
    Информация
    Новости
    Контакты
    Клиентам
    Каталог
    Доставка
    Политика компании в отношении обработки персональных данных
    Контакты
    +7 (495) 740-06-07
    info@avt-s.ru
     г. Москва, вн. тер. г. муниципальный округ Басманный, проезд Лубянский, д. 27/1, стр. 1, этаж 5, ком. 78
    © 2025 «Автоматизация Технических Систем» (ООО «АВТС»)
    Политика компании в отношении
    обработки персональных данных
    Главная Каталог Контакты Поиск