Продукция
  • Phoenix Contact
    • Блоки питания и ИБП
      • Автономное энергоснабжение
      • Аксессуары
      • Блоки питания
      • Источники бесперебойного питания
      • Преобразователи постоянного тока
      • Резервные модули
    • Инструменты
      • Автоматы
      • Автоматы для снятия изоляции и обжима
      • Инструмент для обжима
      • Инструменты для удаления изоляции
      • Контрольно-измерительные приборы
      • Отвертки
      • Ручной инструмент
    • Кабели и провода
      • Зарядные кабели для электромобилей
      • Кабели для фотогальваники
      • Медный кабель
      • Оптоволоконные кабели
      • Универсальный кабель
    • Кабельная разводка датчиков и исполнительных элементов
      • Кабели для применения в Северной Америке
      • Кабели и штекерные модули клапанов
      • Кабельные соединения специального назначения
      • Подготовленные кабели
      • Приборные соединители
      • Разветвители и адаптеры
      • Распределительные коробки
      • Список изделий: принадлежности
      • Товар на метры
      • Штекерные соединители
    • Клеммные блоки
      • Барьерный разъем
      • Клеммные блоки для перерабатывающей промышленности
      • Клеммные блоки для фотогальваники
      • Клеммы Phoenix Contact с быстрым соединением
      • Клеммы Phoenix Contact с зажимом Push-In
      • Клеммы Phoenix Contact с нестандартным подключением
      • Клеммы Phoenix Contact с пружинным зажимом
      • Клеммы с болтовым соединением Phoenix Contact
      • Клеммы с держателями предохранителей
      • Клеммы Феникс Контакт с винтовым зажимом
      • ПО для проектирования и маркировки
      • Распределительные блоки
      • Электротехнические клеммы для систем защиты и управления
    • Клеммы и штекерные соединители для печатных плат
      • Разъемы для печатных плат
      • Список сильноточных проходных клемм
      • Штекерные разъемы для печатных плат
    • Контрольно-измерительные и регулирующие устройства
      • Защита контрольно-измерительных систем от перенапряжений
      • Измерение тока и напряжения
      • Индикаторы процессов и полевые устройства
      • Программируемые логические контроллеры (ПЛК)
      • Разделительные усилители
      • Реле контроля
      • Список мультиплексоров для сигналов, передаваемых по протоколу HART
      • Управление фотогальваническими установками
    • Корпуса для электроники
      • HMI-компоненты и принадлежности
      • Корпус для установки на монтажную рейку
      • Корпуса полевых устройств
    • Маркировка и нанесение обозначений
      • Маркировка клемм
      • Маркировка оборудования
      • Маркировка проводников и кабелей
      • Маркировка устройств
      • Мобильные системы печати и маркировки
      • ПО для проектирования и маркировки
      • Система RFID для маркировки оборудования и установок
      • Системы печати и маркировки
    • Мониторинг
      • Измерение энергии и мощности
      • Мониторинг и диагностика
      • Сигнализация и индикация
      • Устройства измерения тока и напряжения
    • Монтажный и установочный материал
      • Заземление и экранирование
      • Кабельные вводы
      • Коробки подключения и полые корпуса
      • Монтажная рама штекера
      • Поворотный переключатель
      • Распределительные блоки, безвинтовые клеммы и евроклеммы
      • Розетки и сервисные интерфейсы
      • Система ввода кабеля
      • Система кабелепровода
      • Системы защиты кабеля
      • Электроустановочный материал для электрошкафа
    • Облачная обработка промышленных данных
      • Облачные службы
      • Облачные устройства
      • Срок использования облака
    • Оборудование для зарядки электромобилей
      • Зарядные вставные системы
      • Зарядные контроллеры
      • Комплекты для зарядки
      • Программное обеспечение для управления зарядкой электромобилей
    • Освещение и сигнализация
      • Освещение башен ветросиловых установок
      • Светильники для электрошкафа
      • Сигнальные колонны
      • Сигнальные огни для морских приложений
      • Система управления освещением
      • Станочные светильники
    • ПЛК и системы ввода-вывода
      • Системы ввода-вывода для полевой установки (IP65/67)
      • Системы ввода-вывода для электрошкафов (IP20)
      • Список изделий: принадлежности для систем ввода/вывода
      • Список компонентов для систем ввода-вывода
    • Помехоподавляющие фильтры и защита от импульсных перенапряжений
      • Защита от импульсных перенапряжений для КИПиА
      • Защита от перенапряжений для возобновляемых источников энергии
      • Защита передающих и принимающих устройств от импульсных перенапряжений
      • Измерение тока молнии
      • Комплектные решения
      • Помехоподавляющие фильтры
      • Разделительный искровой разрядник
      • Тестер для разрядников
      • Устройства защиты от импульсных перенапряжений для информационных систем
      • Устройства защиты от перенапряжений для источников питания
    • Программное обеспечение
      • Визуализация
      • Драйвера и интерфейсы
      • Конфигурирование, мониторинг и диагностика
      • Модульная программная платформа
      • Планирование и проектирование
      • ПО для проектирования и маркировки
      • ПО для сетевого управления
      • Программирование
      • Программное обеспечение для электромобильности
      • Удаленное управление и обслуживание
      • Управление и настройка параметров устройств
      • Функциональные блоки
    • Промышленные коммуникационные технологии
      • Industrial Ethernet
      • Передача данных по полевой шине
      • Продукты в соответствии с протоколами
      • Промышленная беспроводная связь
      • Удаленная связь
    • Релейные модули
      • Программируемаяя система логических реле
      • Реле времении
      • Реле контроля
      • Электромеханические и полупроводниковые релейные модули
    • Системная кабельная разводка для контроллеров
      • Cпециальная кабельная разводка для контроллеров
      • Компоненты для дополнительного оснащения и модернизации
      • Распределитель потенциалов
      • Универсальные модули
      • Универсальный кабель
    • Устройства HMI и промышленные ПК
      • Промышленные ПК
      • Устройства HMI
      • Устройства HMI для применения в морских условиях
      • Устройства HMI и промышленные ПК для использования вне помещений
    • Устройства защиты
      • Автоматические защитные выключатели
    • Функциональная безопасность
      • Безопасные разделительные усилители
      • Безопасные устройства ввода-вывода
      • Безопасные устройства управления
      • Коммутационные аппараты систем безопасности
      • Конфигурируемые модули безопасности
    • Штекерные разъемы
      • Блоки для установки плат 19" и пружинные колодки
      • Зарядные вставные системы для электромобилей
      • Клеммы для печатных плат
      • Круглые штекерные разъемы
      • Модульные прямоугольные разъемы
      • Монтажная система
      • Промышленные штекерные соединители
      • Соединители для передачи данных
      • Штекерные соединители для ФГ-систем
      • Этажерочный принцип распределения энергии
    • Электронные коммутационные аппараты и устройства управления двигателем
      • Гибридные пускатели с защитой от короткого замыкания
      • Гибридный пускатель электродвигателя
      • Подключаемые к сети гибридные пускатели электродвигателя
      • Полупроводниковые контакторы
      • Пускатель электродвигателя
      • Управление машинами
      • Управление электродвигателями
  • СТЭЗ
    • Офисные коммутаторы
      • L2/L3 коммутаторы агрегации 10GE
      • TOWER коммутаторы
    • Промышленные коммутаторы
      • Аксессуары
      • Неуправляемые коммутаторы
      • Управляемые коммутаторы L2/L3
  • Finder
    • Вспомогательные элементы и аксессуары
      • 01 Серия
      • 02 Серия
      • 04 Серия
      • 05 Серия
      • 06 Серия
      • 07 Серия
      • 08 Серия
      • 09 Серия
    • Детекторы движения и присутствия
      • 18 Серия
    • Диммеры
      • 15 Серия
    • Импульсные источники питания
      • 78 Серия
    • Модули индикации и защиты
      • 19 Серия
      • 99 Серия
    • Модульные контакторы
      • 22 Серия
    • Реле
      • Интерфейсные модули реле
      • Контрольные реле
      • Модульные твердотельные реле (SSR)
      • Программируемые логические реле
      • Промышленные реле
      • Реле времени
      • Реле для печатного монтажа
      • Реле с принудительным управлением контактами
      • Фотореле
      • Шаговые реле
    • Розетки
      • 90 Серия
      • 92 Серия
      • 93 Серия
      • 94 Серия
      • 95 Серия
      • 96 Серия
      • 97 Серия
    • Светодиодные щитовые светильники
      • 7L Серия
    • Таймеры
      • 14 Серия
      • 80 Серия
      • 81 Серия
      • 83 Серия
      • 84 Серия
      • 85 Серия
      • 86 Серия
      • 88 Серия
    • Устройства защиты от импульсных перенапряжений (УЗИП)
      • 7P серия
    • Щитовое климатическое оборудование
      • 7F Серия
      • 7H Серия
      • 7T Серия
  • Bopla
    • Корпусная техника
      • Alu-Topline
      • Alubos
      • Aluplan
      • Alurail
      • Alustyle
      • Bocard
      • Bocube
      • Bocube Alu
      • BoLink
      • BoPad
      • Bopla-Arteb
      • BOS
      • BOS-Ecoline
      • BOS-Streamline
      • Botego
      • BoTouch
      • Circum
      • CombiCard 1000-3000 / CombiSet 500
      • CombiCard 5000-7000
      • CombiNorm-Classic
      • CombiNorm-Compact
      • CombiNorm-Connect
      • Combirail
      • Elegant
      • Elegant-Pult
      • Element / Universal
      • Elesett / Eletec
      • Euromas ABS / PC
      • Euromas Aluminium / Euromas F05
      • Euromas II
      • Euromas Polyester
      • Euromas Polymas
      • Filotec
      • Futura / Portas / Bopult
      • Internorm
      • Internorm Stil
      • Intertego
      • Interzoll
      • Interzoll Case
      • Interzoll Modul
      • Interzoll Plus
      • RegloCard-Plus / Combifront / InterCard
      • Tastomat
      • UDS Universal-Docking-Station
      • Ultramas
      • Ultrapult
      • Unimas
      • Uninorm
      • Винтовые соединения кабелей, общая дополнительная оснастка
    • Плёночные клавиатуры
      • для BOPLA-Arteb
      • для BOS
      • для Elegant
      • С тактильным эффектом и без тактильного эффекта
  • Rose
    • Взрывозащищенное оборудование
      • Взрывозащищенные клеммные коробки (Ex ia, Ex e, Ex d) из алюминия, полиэстера и нержавеющей стали
      • Взрывозащищенные посты управления
    • Кабельные вводы
      • Взрывозащищенные кабельные вводы
      • Индустриальные кабельные вводы
    • Корпуса для задач автоматизации, измерения и контроля
      • Переносные системы управления
      • Стационарные системы управления
    • Продукция
    • Промышленное оборудование
      • Корпуса для электронных компонентов
      • Стандартные корпуса
  • WAGO
    • Автоматизация WAGO
    • Инструменты для монтажа WAGO
    • Клеммы для светильников WAGO
    • Клеммы на DIN-рейку WAGO
    • Клеммы на печатную плату WAGO
    • Розетки и вилки WAGO
    • Электромонтажные клеммы WAGO
    • Электронные компоненты WAGO
  • ETI
    • Автоматические выключатели
    • Корпуса
    • Предохранители
      • Предохранители цилиндрические
    • Реле
      • Дифференциальные реле
      • Промежуточные электромеханические реле
    • Устройства плавного пуска
    • Частотные преобразователи
  • Rittal
    • Контроль микроклимата
    • Корпуса
    • Электрораспределение
  • CHIKU
    • Винтовые клеммы эконом
    • Заземляющие клеммы
    • Клеммные блоки
    • Клеммы пружинные с монтажом сверху
    • Клеммы с возвратной пружиной
    • Клеммы с пружинным зажимом Push-in
    • Концевой стопор
    • Маркировка
    • Мостики и перемычки
    • Открытые клеммные колодки
    • Принадлежности
    • Проходные клеммы
    • Пружинные клеммы и принадлежности
    • Распределительные блоки
    • Реле
    • Силовые клеммы
    • Соединительные клеммы
    • Ультратонкие релейные модули
    • Универсальные винтовые клеммы
    • Универсальные винтовые клеммы Un=1000V
    • Функциональные клеммы
    • Штекеры и разъемы
В наличии
Доставка
Услуги
Новости
Каталоги и сертификаты
О Компании
Контакты
    +7 (495) 740-06-07
    Заказать звонок
    «Автоматизация Технических Систем» (ООО «АВТС»)

    Официальный дистрибьютор
    электротехнического оборудования
    Каталог
    • Phoenix Contact
      Phoenix Contact
      • Блоки питания и ИБП      
        • Автономное энергоснабжение
        • Аксессуары
        • Блоки питания
        • Источники бесперебойного питания
        • Преобразователи постоянного тока
        • Резервные модули
      • Инструменты      
        • Автоматы
        • Автоматы для снятия изоляции и обжима
        • Инструмент для обжима
        • Инструменты для удаления изоляции
        • Контрольно-измерительные приборы
        • Отвертки
        • Ручной инструмент
      • Кабели и провода      
        • Зарядные кабели для электромобилей
        • Кабели для фотогальваники
        • Медный кабель
        • Оптоволоконные кабели
        • Универсальный кабель
      • Кабельная разводка датчиков и исполнительных элементов      
        • Кабели для применения в Северной Америке
        • Кабели и штекерные модули клапанов
        • Кабельные соединения специального назначения
        • Подготовленные кабели
        • Приборные соединители
        • Разветвители и адаптеры
        • Распределительные коробки
        • Список изделий: принадлежности
        • Товар на метры
        • Штекерные соединители
      • Клеммные блоки      
        • Барьерный разъем
        • Клеммные блоки для перерабатывающей промышленности
        • Клеммные блоки для фотогальваники
        • Клеммы Phoenix Contact с быстрым соединением
        • Клеммы Phoenix Contact с зажимом Push-In
        • Клеммы Phoenix Contact с нестандартным подключением
        • Клеммы Phoenix Contact с пружинным зажимом
        • Клеммы с болтовым соединением Phoenix Contact
        • Клеммы с держателями предохранителей
        • Клеммы Феникс Контакт с винтовым зажимом
        • ПО для проектирования и маркировки
        • Распределительные блоки
        • Электротехнические клеммы для систем защиты и управления
      • Клеммы и штекерные соединители для печатных плат      
        • Разъемы для печатных плат
        • Список сильноточных проходных клемм
        • Штекерные разъемы для печатных плат
      • Контрольно-измерительные и регулирующие устройства      
        • Защита контрольно-измерительных систем от перенапряжений
        • Измерение тока и напряжения
        • Индикаторы процессов и полевые устройства
        • Программируемые логические контроллеры (ПЛК)
        • Разделительные усилители
        • Реле контроля
        • Список мультиплексоров для сигналов, передаваемых по протоколу HART
        • Управление фотогальваническими установками
      • Корпуса для электроники      
        • HMI-компоненты и принадлежности
        • Корпус для установки на монтажную рейку
        • Корпуса полевых устройств
      • Маркировка и нанесение обозначений      
        • Маркировка клемм
        • Маркировка оборудования
        • Маркировка проводников и кабелей
        • Маркировка устройств
        • Мобильные системы печати и маркировки
        • ПО для проектирования и маркировки
        • Система RFID для маркировки оборудования и установок
        • Системы печати и маркировки
      • Мониторинг      
        • Измерение энергии и мощности
        • Мониторинг и диагностика
        • Сигнализация и индикация
        • Устройства измерения тока и напряжения
      • Монтажный и установочный материал      
        • Заземление и экранирование
        • Кабельные вводы
        • Коробки подключения и полые корпуса
        • Монтажная рама штекера
        • Поворотный переключатель
        • Распределительные блоки, безвинтовые клеммы и евроклеммы
        • Розетки и сервисные интерфейсы
        • Система ввода кабеля
        • Система кабелепровода
        • Системы защиты кабеля
        • Электроустановочный материал для электрошкафа
      • Облачная обработка промышленных данных      
        • Облачные службы
        • Облачные устройства
        • Срок использования облака
      • Оборудование для зарядки электромобилей      
        • Зарядные вставные системы
        • Зарядные контроллеры
        • Комплекты для зарядки
        • Программное обеспечение для управления зарядкой электромобилей
      • Освещение и сигнализация      
        • Освещение башен ветросиловых установок
        • Светильники для электрошкафа
        • Сигнальные колонны
        • Сигнальные огни для морских приложений
        • Система управления освещением
        • Станочные светильники
      • ПЛК и системы ввода-вывода      
        • Системы ввода-вывода для полевой установки (IP65/67)
        • Системы ввода-вывода для электрошкафов (IP20)
        • Список изделий: принадлежности для систем ввода/вывода
        • Список компонентов для систем ввода-вывода
      • Помехоподавляющие фильтры и защита от импульсных перенапряжений      
        • Защита от импульсных перенапряжений для КИПиА
        • Защита от перенапряжений для возобновляемых источников энергии
        • Защита передающих и принимающих устройств от импульсных перенапряжений
        • Измерение тока молнии
        • Комплектные решения
        • Помехоподавляющие фильтры
        • Разделительный искровой разрядник
        • Тестер для разрядников
        • Устройства защиты от импульсных перенапряжений для информационных систем
        • Устройства защиты от перенапряжений для источников питания
      • Программное обеспечение      
        • Визуализация
        • Драйвера и интерфейсы
        • Конфигурирование, мониторинг и диагностика
        • Модульная программная платформа
        • Планирование и проектирование
        • ПО для проектирования и маркировки
        • ПО для сетевого управления
        • Программирование
        • Программное обеспечение для электромобильности
        • Удаленное управление и обслуживание
        • Управление и настройка параметров устройств
        • Функциональные блоки
      • Промышленные коммуникационные технологии      
        • Industrial Ethernet
        • Передача данных по полевой шине
        • Продукты в соответствии с протоколами
        • Промышленная беспроводная связь
        • Удаленная связь
      • Релейные модули      
        • Программируемаяя система логических реле
        • Реле времении
        • Реле контроля
        • Электромеханические и полупроводниковые релейные модули
      • Системная кабельная разводка для контроллеров      
        • Cпециальная кабельная разводка для контроллеров
        • Компоненты для дополнительного оснащения и модернизации
        • Распределитель потенциалов
        • Универсальные модули
        • Универсальный кабель
      • Устройства HMI и промышленные ПК      
        • Промышленные ПК
        • Устройства HMI
        • Устройства HMI для применения в морских условиях
        • Устройства HMI и промышленные ПК для использования вне помещений
      • Устройства защиты      
        • Автоматические защитные выключатели
      • Функциональная безопасность      
        • Безопасные разделительные усилители
        • Безопасные устройства ввода-вывода
        • Безопасные устройства управления
        • Коммутационные аппараты систем безопасности
        • Конфигурируемые модули безопасности
      • Штекерные разъемы      
        • Блоки для установки плат 19" и пружинные колодки
        • Зарядные вставные системы для электромобилей
        • Клеммы для печатных плат
        • Круглые штекерные разъемы
        • Модульные прямоугольные разъемы
        • Монтажная система
        • Промышленные штекерные соединители
        • Соединители для передачи данных
        • Штекерные соединители для ФГ-систем
        • Этажерочный принцип распределения энергии
      • Электронные коммутационные аппараты и устройства управления двигателем      
        • Гибридные пускатели с защитой от короткого замыкания
        • Гибридный пускатель электродвигателя
        • Подключаемые к сети гибридные пускатели электродвигателя
        • Полупроводниковые контакторы
        • Пускатель электродвигателя
        • Управление машинами
        • Управление электродвигателями
      • Еще
    • СТЭЗ
      СТЭЗ
      • Офисные коммутаторы      
        • L2/L3 коммутаторы агрегации 10GE
        • TOWER коммутаторы
      • Промышленные коммутаторы      
        • Аксессуары
        • Неуправляемые коммутаторы
        • Управляемые коммутаторы L2/L3
    • Finder
      Finder
      • Вспомогательные элементы и аксессуары      
        • 01 Серия
        • 02 Серия
        • 04 Серия
        • 05 Серия
        • 06 Серия
        • 07 Серия
        • 08 Серия
        • 09 Серия
      • Детекторы движения и присутствия      
        • 18 Серия
      • Диммеры      
        • 15 Серия
      • Импульсные источники питания      
        • 78 Серия
      • Модули индикации и защиты      
        • 19 Серия
        • 99 Серия
      • Модульные контакторы      
        • 22 Серия
      • Реле      
        • Интерфейсные модули реле
        • Контрольные реле
        • Модульные твердотельные реле (SSR)
        • Программируемые логические реле
        • Промышленные реле
        • Реле времени
        • Реле для печатного монтажа
        • Реле с принудительным управлением контактами
        • Фотореле
        • Шаговые реле
      • Розетки      
        • 90 Серия
        • 92 Серия
        • 93 Серия
        • 94 Серия
        • 95 Серия
        • 96 Серия
        • 97 Серия
      • Светодиодные щитовые светильники      
        • 7L Серия
      • Таймеры      
        • 14 Серия
        • 80 Серия
        • 81 Серия
        • 83 Серия
        • 84 Серия
        • 85 Серия
        • 86 Серия
        • 88 Серия
      • Устройства защиты от импульсных перенапряжений (УЗИП)      
        • 7P серия
      • Щитовое климатическое оборудование      
        • 7F Серия
        • 7H Серия
        • 7T Серия
      • Еще
    • Bopla
      Bopla
      • Корпусная техника      
        • Alu-Topline
        • Alubos
        • Aluplan
        • Alurail
        • Alustyle
        • Bocard
        • Bocube
        • Bocube Alu
        • BoLink
        • BoPad
        • Bopla-Arteb
        • BOS
        • BOS-Ecoline
        • BOS-Streamline
        • Botego
        • BoTouch
        • Circum
        • CombiCard 1000-3000 / CombiSet 500
        • CombiCard 5000-7000
        • CombiNorm-Classic
        • CombiNorm-Compact
        • CombiNorm-Connect
        • Combirail
        • Elegant
        • Elegant-Pult
        • Element / Universal
        • Elesett / Eletec
        • Euromas ABS / PC
        • Euromas Aluminium / Euromas F05
        • Euromas II
        • Euromas Polyester
        • Euromas Polymas
        • Filotec
        • Futura / Portas / Bopult
        • Internorm
        • Internorm Stil
        • Intertego
        • Interzoll
        • Interzoll Case
        • Interzoll Modul
        • Interzoll Plus
        • RegloCard-Plus / Combifront / InterCard
        • Tastomat
        • UDS Universal-Docking-Station
        • Ultramas
        • Ultrapult
        • Unimas
        • Uninorm
        • Винтовые соединения кабелей, общая дополнительная оснастка
      • Плёночные клавиатуры      
        • для BOPLA-Arteb
        • для BOS
        • для Elegant
        • С тактильным эффектом и без тактильного эффекта
    • Rose
      Rose
      • Взрывозащищенное оборудование      
        • Взрывозащищенные клеммные коробки (Ex ia, Ex e, Ex d) из алюминия, полиэстера и нержавеющей стали
        • Взрывозащищенные посты управления
      • Кабельные вводы      
        • Взрывозащищенные кабельные вводы
        • Индустриальные кабельные вводы
      • Корпуса для задач автоматизации, измерения и контроля      
        • Переносные системы управления
        • Стационарные системы управления
      • Продукция
      • Промышленное оборудование      
        • Корпуса для электронных компонентов
        • Стандартные корпуса
    • WAGO
      WAGO
      • Автоматизация WAGO
      • Инструменты для монтажа WAGO
      • Клеммы для светильников WAGO
      • Клеммы на DIN-рейку WAGO
      • Клеммы на печатную плату WAGO
      • Розетки и вилки WAGO
      • Электромонтажные клеммы WAGO
      • Электронные компоненты WAGO
    • ETI
      ETI
      • Автоматические выключатели
      • Корпуса
      • Предохранители      
        • Предохранители цилиндрические
      • Реле      
        • Дифференциальные реле
        • Промежуточные электромеханические реле
      • Устройства плавного пуска
      • Частотные преобразователи
    • Rittal
      Rittal
      • Контроль микроклимата
      • Корпуса
      • Электрораспределение
    • CHIKU
      CHIKU
      • Винтовые клеммы эконом
      • Заземляющие клеммы
      • Клеммные блоки
      • Клеммы пружинные с монтажом сверху
      • Клеммы с возвратной пружиной
      • Клеммы с пружинным зажимом Push-in
      • Концевой стопор
      • Маркировка
      • Мостики и перемычки
      • Открытые клеммные колодки
      • Принадлежности
      • Проходные клеммы
      • Пружинные клеммы и принадлежности
      • Распределительные блоки
      • Реле
      • Силовые клеммы
      • Соединительные клеммы
      • Ультратонкие релейные модули
      • Универсальные винтовые клеммы
      • Универсальные винтовые клеммы Un=1000V
      • Функциональные клеммы
      • Штекеры и разъемы
      • Еще
    Бренды
    Phoenix Contact СТЭЗ Finder Rose Bopla ETI WAGO Rittal CHIKU
    «Автоматизация Технических Систем» (ООО «АВТС»)
    Каталог
    «Автоматизация Технических Систем» (ООО «АВТС»)
    Телефоны
    +7 (495) 740-06-07
    Заказать звонок
    «Автоматизация Технических Систем» (ООО «АВТС»)
    • +7 (495) 740-06-07
      • Назад
      • Телефоны
      • +7 (495) 740-06-07
      • Заказать звонок
    • info@avt-s.ru
    •  г. Москва, вн. тер. г. муниципальный округ Басманный, проезд Лубянский, д. 27/1, стр. 1, этаж 5, ком. 78
    • Пн. – Пт.: с 9:00 до 18:00
      субб. - вск. - выходные
    Главная
    Phoenix Contact
    Штекерные разъемы
    Соединители для передачи данных

    Соединители для передачи данных

    1455 товаров
    Медные разъемы для передачи данных Медные разъемы для передачи данных
    Оптоволоконные разъемы для передачи данных Оптоволоконные разъемы для передачи данных
    Соединитель для передачи данных по оптоволоконному кабелю Соединитель для передачи данных по оптоволоконному кабелю
    Список медных разъемов для передачи данных Список медных разъемов для передачи данных
    Фильтр
    Сначала непопулярные
    Сначала непопулярные
    Сначала популярные
    Фильтр
    Сначала непопулярные
    Сначала непопулярные
    Сначала популярные
    Быстрый просмотр
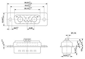
    Комбинированная контактная вставка D-SUB-VS-15-ST-DSUB-2P-5S Комбинированная контактная вставка D-SUB-VS-15-ST-DSUB-2P-5S Комбинированная контактная вставка D-SUB-VS-15-ST-DSUB-2P-5S Комбинированная контактная вставка D-SUB-VS-15-ST-DSUB-2P-5S
    Комбинированная контактная вставка D-SUB-VS-15-ST-DSUB-2P-5S
    Заказать
    Быстрый просмотр
    Монтажные рамы-VS-V1-F-2XSCRJ-MNNA-PG9-C-S-B1
    Монтажные рамы-VS-V1-F-2XSCRJ-MNNA-PG9-C-S-B1
    Заказать
    Быстрый просмотр
    Встраиваемый соединитель для шинной системы-SACC-E-M12FS-4CON-PG9/0,5 FFVA Встраиваемый соединитель для шинной системы-SACC-E-M12FS-4CON-PG9/0,5 FFVA Встраиваемый соединитель для шинной системы-SACC-E-M12FS-4CON-PG9/0,5 FFVA Встраиваемый соединитель для шинной системы-SACC-E-M12FS-4CON-PG9/0,5 FFVA Встраиваемый соединитель для шинной системы-SACC-E-M12FS-4CON-PG9/0,5 FFVA
    Встраиваемый соединитель для шинной системы-SACC-E-M12FS-4CON-PG9/0,5 FFVA
    Заказать
    Быстрый просмотр
    Встраиваемый соединитель для шинной системы-SACC-DSI-FSD-4CON-PG9/0,5 SCO Встраиваемый соединитель для шинной системы-SACC-DSI-FSD-4CON-PG9/0,5 SCO Встраиваемый соединитель для шинной системы-SACC-DSI-FSD-4CON-PG9/0,5 SCO Встраиваемый соединитель для шинной системы-SACC-DSI-FSD-4CON-PG9/0,5 SCO Встраиваемый соединитель для шинной системы-SACC-DSI-FSD-4CON-PG9/0,5 SCO
    Встраиваемый соединитель для шинной системы-SACC-DSI-FSD-4CON-PG9/0,5 SCO
    Заказать
    Быстрый просмотр
    Проходная деталь-SACC-DSI-MSB-5CON-M12-SCO SH Проходная деталь-SACC-DSI-MSB-5CON-M12-SCO SH Проходная деталь-SACC-DSI-MSB-5CON-M12-SCO SH Проходная деталь-SACC-DSI-MSB-5CON-M12-SCO SH Проходная деталь-SACC-DSI-MSB-5CON-M12-SCO SH
    Проходная деталь-SACC-DSI-MSB-5CON-M12-SCO SH
    Заказать
    Быстрый просмотр
    Монтажная рама Ethernet-VS-08-A-RJ45/MOD-1-IP67-SETLSA
    Монтажная рама Ethernet-VS-08-A-RJ45/MOD-1-IP67-SETLSA
    Заказать
    Быстрый просмотр
    Разъем-SACC-FRD-4SC SH PN SCO Разъем-SACC-FRD-4SC SH PN SCO Разъем-SACC-FRD-4SC SH PN SCO Разъем-SACC-FRD-4SC SH PN SCO
    Разъем-SACC-FRD-4SC SH PN SCO
    Заказать
    Быстрый просмотр
    Сетевой кабель-VS-PPC/ME-IP20-94B-LI/5,0 Сетевой кабель-VS-PPC/ME-IP20-94B-LI/5,0 Сетевой кабель-VS-PPC/ME-IP20-94B-LI/5,0 Сетевой кабель-VS-PPC/ME-IP20-94B-LI/5,0 Сетевой кабель-VS-PPC/ME-IP20-94B-LI/5,0
    Сетевой кабель-VS-PPC/ME-IP20-94B-LI/5,0
    Заказать
    Быстрый просмотр
    Шинный системный соединитель-SACC-M12FSB-2PL SH PB Шинный системный соединитель-SACC-M12FSB-2PL SH PB Шинный системный соединитель-SACC-M12FSB-2PL SH PB Шинный системный соединитель-SACC-M12FSB-2PL SH PB
    Шинный системный соединитель-SACC-M12FSB-2PL SH PB
    Заказать
    Быстрый просмотр
    Проходная деталь-SACC-DSI-MS-5CON-L180/SCO SH Проходная деталь-SACC-DSI-MS-5CON-L180/SCO SH Проходная деталь-SACC-DSI-MS-5CON-L180/SCO SH Проходная деталь-SACC-DSI-MS-5CON-L180/SCO SH Проходная деталь-SACC-DSI-MS-5CON-L180/SCO SH
    Проходная деталь-SACC-DSI-MS-5CON-L180/SCO SH
    Заказать
    Быстрый просмотр
    Комбинированная контактная вставка D-SUB-VS-15-BU-DSUB-2P-5S Комбинированная контактная вставка D-SUB-VS-15-BU-DSUB-2P-5S Комбинированная контактная вставка D-SUB-VS-15-BU-DSUB-2P-5S Комбинированная контактная вставка D-SUB-VS-15-BU-DSUB-2P-5S Комбинированная контактная вставка D-SUB-VS-15-BU-DSUB-2P-5S
    Комбинированная контактная вставка D-SUB-VS-15-BU-DSUB-2P-5S
    Заказать
    Быстрый просмотр
    Патч-кабель-NBC-R4AC/1,0-93G/R4AC Патч-кабель-NBC-R4AC/1,0-93G/R4AC Патч-кабель-NBC-R4AC/1,0-93G/R4AC Патч-кабель-NBC-R4AC/1,0-93G/R4AC Патч-кабель-NBC-R4AC/1,0-93G/R4AC
    Патч-кабель-NBC-R4AC/1,0-93G/R4AC
    Заказать
    Быстрый просмотр
    Модуль для контактов-VS-25-ST-DSUB-EG Модуль для контактов-VS-25-ST-DSUB-EG Модуль для контактов-VS-25-ST-DSUB-EG Модуль для контактов-VS-25-ST-DSUB-EG
    Модуль для контактов-VS-25-ST-DSUB-EG
    Заказать
    Быстрый просмотр
    Гнездовая вставка для RJ45-VS-08-BU-RJ45-6/KA/LSA Гнездовая вставка для RJ45-VS-08-BU-RJ45-6/KA/LSA Гнездовая вставка для RJ45-VS-08-BU-RJ45-6/KA/LSA Гнездовая вставка для RJ45-VS-08-BU-RJ45-6/KA/LSA
    Гнездовая вставка для RJ45-VS-08-BU-RJ45-6/KA/LSA
    Заказать
    Быстрый просмотр
    Встраиваемый соединитель для шинной системы-SACCBP-M12FSD-4CON-M16/1,0-931 Встраиваемый соединитель для шинной системы-SACCBP-M12FSD-4CON-M16/1,0-931 Встраиваемый соединитель для шинной системы-SACCBP-M12FSD-4CON-M16/1,0-931 Встраиваемый соединитель для шинной системы-SACCBP-M12FSD-4CON-M16/1,0-931 Встраиваемый соединитель для шинной системы-SACCBP-M12FSD-4CON-M16/1,0-931
    Встраиваемый соединитель для шинной системы-SACCBP-M12FSD-4CON-M16/1,0-931
    Заказать
    Быстрый просмотр
    Патч-кабель-NBC-R4AC1/10,0-94G/R4AC1-BU Патч-кабель-NBC-R4AC1/10,0-94G/R4AC1-BU Патч-кабель-NBC-R4AC1/10,0-94G/R4AC1-BU
    Патч-кабель-NBC-R4AC1/10,0-94G/R4AC1-BU
    Заказать
    Быстрый просмотр
    Встраиваемый соединитель для шинной системы-SACCEC-M12MSB-2CON-M16/5,0-910 Встраиваемый соединитель для шинной системы-SACCEC-M12MSB-2CON-M16/5,0-910 Встраиваемый соединитель для шинной системы-SACCEC-M12MSB-2CON-M16/5,0-910 Встраиваемый соединитель для шинной системы-SACCEC-M12MSB-2CON-M16/5,0-910 Встраиваемый соединитель для шинной системы-SACCEC-M12MSB-2CON-M16/5,0-910
    Встраиваемый соединитель для шинной системы-SACCEC-M12MSB-2CON-M16/5,0-910
    Заказать
    Быстрый просмотр
    Встраиваемый соединитель для шинной системы-SACCBP-M12MS-5CON-M16/5,0-920 Встраиваемый соединитель для шинной системы-SACCBP-M12MS-5CON-M16/5,0-920 Встраиваемый соединитель для шинной системы-SACCBP-M12MS-5CON-M16/5,0-920 Встраиваемый соединитель для шинной системы-SACCBP-M12MS-5CON-M16/5,0-920 Встраиваемый соединитель для шинной системы-SACCBP-M12MS-5CON-M16/5,0-920
    Встраиваемый соединитель для шинной системы-SACCBP-M12MS-5CON-M16/5,0-920
    Заказать
    Быстрый просмотр
    Встраиваемый соединитель для шинной системы-SACCBP-M12FSB-2CON-M16/5,0-910 Встраиваемый соединитель для шинной системы-SACCBP-M12FSB-2CON-M16/5,0-910 Встраиваемый соединитель для шинной системы-SACCBP-M12FSB-2CON-M16/5,0-910 Встраиваемый соединитель для шинной системы-SACCBP-M12FSB-2CON-M16/5,0-910 Встраиваемый соединитель для шинной системы-SACCBP-M12FSB-2CON-M16/5,0-910
    Встраиваемый соединитель для шинной системы-SACCBP-M12FSB-2CON-M16/5,0-910
    Заказать
    Быстрый просмотр
    Держатель контактов D-SUB-VS-15-BU-DSUB-CD-MG Держатель контактов D-SUB-VS-15-BU-DSUB-CD-MG Держатель контактов D-SUB-VS-15-BU-DSUB-CD-MG
    Держатель контактов D-SUB-VS-15-BU-DSUB-CD-MG
    Заказать
    Страницы: 1 2 52 53 54 55 56 72 73
    1061 - 1080 из 1455
    Категория
    • Phoenix Contact
      • Штекерные разъемы
        • Соединители для передачи данных
          • Медные разъемы для передачи данных
          • Оптоволоконные разъемы для передачи данных
          • Соединитель для передачи данных по оптоволоконному кабелю
          • Список медных разъемов для передачи данных




    Компания
    О компании
    Каталоги и сертификаты
    Услуги
    Информация
    Новости
    Контакты
    Клиентам
    Каталог
    Доставка
    Политика компании в отношении обработки персональных данных
    Контакты
    +7 (495) 740-06-07
    info@avt-s.ru
     г. Москва, вн. тер. г. муниципальный округ Басманный, проезд Лубянский, д. 27/1, стр. 1, этаж 5, ком. 78
    © 2026 «Автоматизация Технических Систем» (ООО «АВТС»)
    Политика компании в отношении
    обработки персональных данных
    Главная Каталог Контакты Поиск