Продукция
  • Phoenix Contact
    • Блоки питания и ИБП
      • Автономное энергоснабжение
      • Аксессуары
      • Блоки питания
      • Источники бесперебойного питания
      • Преобразователи постоянного тока
      • Резервные модули
    • Инструменты
      • Автоматы
      • Автоматы для снятия изоляции и обжима
      • Инструмент для обжима
      • Инструменты для удаления изоляции
      • Контрольно-измерительные приборы
      • Отвертки
      • Ручной инструмент
    • Кабели и провода
      • Зарядные кабели для электромобилей
      • Кабели для фотогальваники
      • Медный кабель
      • Оптоволоконные кабели
      • Универсальный кабель
    • Кабельная разводка датчиков и исполнительных элементов
      • Кабели для применения в Северной Америке
      • Кабели и штекерные модули клапанов
      • Кабельные соединения специального назначения
      • Подготовленные кабели
      • Приборные соединители
      • Разветвители и адаптеры
      • Распределительные коробки
      • Список изделий: принадлежности
      • Товар на метры
      • Штекерные соединители
    • Клеммные блоки
      • Барьерный разъем
      • Клеммные блоки для перерабатывающей промышленности
      • Клеммные блоки для фотогальваники
      • Клеммы Phoenix Contact с быстрым соединением
      • Клеммы Phoenix Contact с зажимом Push-In
      • Клеммы Phoenix Contact с нестандартным подключением
      • Клеммы Phoenix Contact с пружинным зажимом
      • Клеммы с болтовым соединением Phoenix Contact
      • Клеммы с держателями предохранителей
      • Клеммы Феникс Контакт с винтовым зажимом
      • ПО для проектирования и маркировки
      • Распределительные блоки
      • Электротехнические клеммы для систем защиты и управления
    • Клеммы и штекерные соединители для печатных плат
      • Разъемы для печатных плат
      • Список сильноточных проходных клемм
      • Штекерные разъемы для печатных плат
    • Контрольно-измерительные и регулирующие устройства
      • Защита контрольно-измерительных систем от перенапряжений
      • Измерение тока и напряжения
      • Индикаторы процессов и полевые устройства
      • Программируемые логические контроллеры (ПЛК)
      • Разделительные усилители
      • Реле контроля
      • Список мультиплексоров для сигналов, передаваемых по протоколу HART
      • Управление фотогальваническими установками
    • Корпуса для электроники
      • HMI-компоненты и принадлежности
      • Корпус для установки на монтажную рейку
      • Корпуса полевых устройств
    • Маркировка и нанесение обозначений
      • Маркировка клемм
      • Маркировка оборудования
      • Маркировка проводников и кабелей
      • Маркировка устройств
      • Мобильные системы печати и маркировки
      • ПО для проектирования и маркировки
      • Система RFID для маркировки оборудования и установок
      • Системы печати и маркировки
    • Мониторинг
      • Измерение энергии и мощности
      • Мониторинг и диагностика
      • Сигнализация и индикация
      • Устройства измерения тока и напряжения
    • Монтажный и установочный материал
      • Заземление и экранирование
      • Кабельные вводы
      • Коробки подключения и полые корпуса
      • Монтажная рама штекера
      • Поворотный переключатель
      • Распределительные блоки, безвинтовые клеммы и евроклеммы
      • Розетки и сервисные интерфейсы
      • Система ввода кабеля
      • Система кабелепровода
      • Системы защиты кабеля
      • Электроустановочный материал для электрошкафа
    • Облачная обработка промышленных данных
      • Облачные службы
      • Облачные устройства
      • Срок использования облака
    • Оборудование для зарядки электромобилей
      • Зарядные вставные системы
      • Зарядные контроллеры
      • Комплекты для зарядки
      • Программное обеспечение для управления зарядкой электромобилей
    • Освещение и сигнализация
      • Освещение башен ветросиловых установок
      • Светильники для электрошкафа
      • Сигнальные колонны
      • Сигнальные огни для морских приложений
      • Система управления освещением
      • Станочные светильники
    • ПЛК и системы ввода-вывода
      • Системы ввода-вывода для полевой установки (IP65/67)
      • Системы ввода-вывода для электрошкафов (IP20)
      • Список изделий: принадлежности для систем ввода/вывода
      • Список компонентов для систем ввода-вывода
    • Помехоподавляющие фильтры и защита от импульсных перенапряжений
      • Защита от импульсных перенапряжений для КИПиА
      • Защита от перенапряжений для возобновляемых источников энергии
      • Защита передающих и принимающих устройств от импульсных перенапряжений
      • Измерение тока молнии
      • Комплектные решения
      • Помехоподавляющие фильтры
      • Разделительный искровой разрядник
      • Тестер для разрядников
      • Устройства защиты от импульсных перенапряжений для информационных систем
      • Устройства защиты от перенапряжений для источников питания
    • Программное обеспечение
      • Визуализация
      • Драйвера и интерфейсы
      • Конфигурирование, мониторинг и диагностика
      • Модульная программная платформа
      • Планирование и проектирование
      • ПО для проектирования и маркировки
      • ПО для сетевого управления
      • Программирование
      • Программное обеспечение для электромобильности
      • Удаленное управление и обслуживание
      • Управление и настройка параметров устройств
      • Функциональные блоки
    • Промышленные коммуникационные технологии
      • Industrial Ethernet
      • Передача данных по полевой шине
      • Продукты в соответствии с протоколами
      • Промышленная беспроводная связь
      • Удаленная связь
    • Релейные модули
      • Программируемаяя система логических реле
      • Реле времении
      • Реле контроля
      • Электромеханические и полупроводниковые релейные модули
    • Системная кабельная разводка для контроллеров
      • Cпециальная кабельная разводка для контроллеров
      • Компоненты для дополнительного оснащения и модернизации
      • Распределитель потенциалов
      • Универсальные модули
      • Универсальный кабель
    • Устройства HMI и промышленные ПК
      • Промышленные ПК
      • Устройства HMI
      • Устройства HMI для применения в морских условиях
      • Устройства HMI и промышленные ПК для использования вне помещений
    • Устройства защиты
      • Автоматические защитные выключатели
    • Функциональная безопасность
      • Безопасные разделительные усилители
      • Безопасные устройства ввода-вывода
      • Безопасные устройства управления
      • Коммутационные аппараты систем безопасности
      • Конфигурируемые модули безопасности
    • Штекерные разъемы
      • Блоки для установки плат 19" и пружинные колодки
      • Зарядные вставные системы для электромобилей
      • Клеммы для печатных плат
      • Круглые штекерные разъемы
      • Модульные прямоугольные разъемы
      • Монтажная система
      • Промышленные штекерные соединители
      • Соединители для передачи данных
      • Штекерные соединители для ФГ-систем
      • Этажерочный принцип распределения энергии
    • Электронные коммутационные аппараты и устройства управления двигателем
      • Гибридные пускатели с защитой от короткого замыкания
      • Гибридный пускатель электродвигателя
      • Подключаемые к сети гибридные пускатели электродвигателя
      • Полупроводниковые контакторы
      • Пускатель электродвигателя
      • Управление машинами
      • Управление электродвигателями
  • СТЭЗ
    • Офисные коммутаторы
      • L2/L3 коммутаторы агрегации 10GE
      • TOWER коммутаторы
    • Промышленные коммутаторы
      • Аксессуары
      • Неуправляемые коммутаторы
      • Управляемые коммутаторы L2/L3
  • Finder
    • Вспомогательные элементы и аксессуары
      • 01 Серия
      • 02 Серия
      • 04 Серия
      • 05 Серия
      • 06 Серия
      • 07 Серия
      • 08 Серия
      • 09 Серия
    • Детекторы движения и присутствия
      • 18 Серия
    • Диммеры
      • 15 Серия
    • Импульсные источники питания
      • 78 Серия
    • Модули индикации и защиты
      • 19 Серия
      • 99 Серия
    • Модульные контакторы
      • 22 Серия
    • Реле
      • Интерфейсные модули реле
      • Контрольные реле
      • Модульные твердотельные реле (SSR)
      • Программируемые логические реле
      • Промышленные реле
      • Реле времени
      • Реле для печатного монтажа
      • Реле с принудительным управлением контактами
      • Фотореле
      • Шаговые реле
    • Розетки
      • 90 Серия
      • 92 Серия
      • 93 Серия
      • 94 Серия
      • 95 Серия
      • 96 Серия
      • 97 Серия
    • Светодиодные щитовые светильники
      • 7L Серия
    • Таймеры
      • 14 Серия
      • 80 Серия
      • 81 Серия
      • 83 Серия
      • 84 Серия
      • 85 Серия
      • 86 Серия
      • 88 Серия
    • Устройства защиты от импульсных перенапряжений (УЗИП)
      • 7P серия
    • Щитовое климатическое оборудование
      • 7F Серия
      • 7H Серия
      • 7T Серия
  • Bopla
    • Корпусная техника
      • Alu-Topline
      • Alubos
      • Aluplan
      • Alurail
      • Alustyle
      • Bocard
      • Bocube
      • Bocube Alu
      • BoLink
      • BoPad
      • Bopla-Arteb
      • BOS
      • BOS-Ecoline
      • BOS-Streamline
      • Botego
      • BoTouch
      • Circum
      • CombiCard 1000-3000 / CombiSet 500
      • CombiCard 5000-7000
      • CombiNorm-Classic
      • CombiNorm-Compact
      • CombiNorm-Connect
      • Combirail
      • Elegant
      • Elegant-Pult
      • Element / Universal
      • Elesett / Eletec
      • Euromas ABS / PC
      • Euromas Aluminium / Euromas F05
      • Euromas II
      • Euromas Polyester
      • Euromas Polymas
      • Filotec
      • Futura / Portas / Bopult
      • Internorm
      • Internorm Stil
      • Intertego
      • Interzoll
      • Interzoll Case
      • Interzoll Modul
      • Interzoll Plus
      • RegloCard-Plus / Combifront / InterCard
      • Tastomat
      • UDS Universal-Docking-Station
      • Ultramas
      • Ultrapult
      • Unimas
      • Uninorm
      • Винтовые соединения кабелей, общая дополнительная оснастка
    • Плёночные клавиатуры
      • для BOPLA-Arteb
      • для BOS
      • для Elegant
      • С тактильным эффектом и без тактильного эффекта
  • Rose
    • Взрывозащищенное оборудование
      • Взрывозащищенные клеммные коробки (Ex ia, Ex e, Ex d) из алюминия, полиэстера и нержавеющей стали
      • Взрывозащищенные посты управления
    • Кабельные вводы
      • Взрывозащищенные кабельные вводы
      • Индустриальные кабельные вводы
    • Корпуса для задач автоматизации, измерения и контроля
      • Переносные системы управления
      • Стационарные системы управления
    • Продукция
    • Промышленное оборудование
      • Корпуса для электронных компонентов
      • Стандартные корпуса
  • WAGO
    • Автоматизация WAGO
    • Инструменты для монтажа WAGO
    • Клеммы для светильников WAGO
    • Клеммы на DIN-рейку WAGO
    • Клеммы на печатную плату WAGO
    • Розетки и вилки WAGO
    • Электромонтажные клеммы WAGO
    • Электронные компоненты WAGO
  • ETI
    • Автоматические выключатели
    • Корпуса
    • Предохранители
      • Предохранители цилиндрические
    • Реле
      • Дифференциальные реле
      • Промежуточные электромеханические реле
    • Устройства плавного пуска
    • Частотные преобразователи
  • Rittal
    • Контроль микроклимата
    • Корпуса
    • Электрораспределение
  • CHIKU
    • Винтовые клеммы эконом
    • Заземляющие клеммы
    • Клеммные блоки
    • Клеммы пружинные с монтажом сверху
    • Клеммы с возвратной пружиной
    • Клеммы с пружинным зажимом Push-in
    • Концевой стопор
    • Маркировка
    • Мостики и перемычки
    • Открытые клеммные колодки
    • Принадлежности
    • Проходные клеммы
    • Пружинные клеммы и принадлежности
    • Распределительные блоки
    • Реле
    • Силовые клеммы
    • Соединительные клеммы
    • Ультратонкие релейные модули
    • Универсальные винтовые клеммы
    • Универсальные винтовые клеммы Un=1000V
    • Функциональные клеммы
    • Штекеры и разъемы
В наличии
Доставка
Услуги
Новости
Каталоги и сертификаты
О Компании
Контакты
    +7 (495) 740-06-07
    Заказать звонок
    «Автоматизация Технических Систем» (ООО «АВТС»)

    Официальный дистрибьютор
    электротехнического оборудования
    Каталог
    • Phoenix Contact
      Phoenix Contact
      • Блоки питания и ИБП      
        • Автономное энергоснабжение
        • Аксессуары
        • Блоки питания
        • Источники бесперебойного питания
        • Преобразователи постоянного тока
        • Резервные модули
      • Инструменты      
        • Автоматы
        • Автоматы для снятия изоляции и обжима
        • Инструмент для обжима
        • Инструменты для удаления изоляции
        • Контрольно-измерительные приборы
        • Отвертки
        • Ручной инструмент
      • Кабели и провода      
        • Зарядные кабели для электромобилей
        • Кабели для фотогальваники
        • Медный кабель
        • Оптоволоконные кабели
        • Универсальный кабель
      • Кабельная разводка датчиков и исполнительных элементов      
        • Кабели для применения в Северной Америке
        • Кабели и штекерные модули клапанов
        • Кабельные соединения специального назначения
        • Подготовленные кабели
        • Приборные соединители
        • Разветвители и адаптеры
        • Распределительные коробки
        • Список изделий: принадлежности
        • Товар на метры
        • Штекерные соединители
      • Клеммные блоки      
        • Барьерный разъем
        • Клеммные блоки для перерабатывающей промышленности
        • Клеммные блоки для фотогальваники
        • Клеммы Phoenix Contact с быстрым соединением
        • Клеммы Phoenix Contact с зажимом Push-In
        • Клеммы Phoenix Contact с нестандартным подключением
        • Клеммы Phoenix Contact с пружинным зажимом
        • Клеммы с болтовым соединением Phoenix Contact
        • Клеммы с держателями предохранителей
        • Клеммы Феникс Контакт с винтовым зажимом
        • ПО для проектирования и маркировки
        • Распределительные блоки
        • Электротехнические клеммы для систем защиты и управления
      • Клеммы и штекерные соединители для печатных плат      
        • Разъемы для печатных плат
        • Список сильноточных проходных клемм
        • Штекерные разъемы для печатных плат
      • Контрольно-измерительные и регулирующие устройства      
        • Защита контрольно-измерительных систем от перенапряжений
        • Измерение тока и напряжения
        • Индикаторы процессов и полевые устройства
        • Программируемые логические контроллеры (ПЛК)
        • Разделительные усилители
        • Реле контроля
        • Список мультиплексоров для сигналов, передаваемых по протоколу HART
        • Управление фотогальваническими установками
      • Корпуса для электроники      
        • HMI-компоненты и принадлежности
        • Корпус для установки на монтажную рейку
        • Корпуса полевых устройств
      • Маркировка и нанесение обозначений      
        • Маркировка клемм
        • Маркировка оборудования
        • Маркировка проводников и кабелей
        • Маркировка устройств
        • Мобильные системы печати и маркировки
        • ПО для проектирования и маркировки
        • Система RFID для маркировки оборудования и установок
        • Системы печати и маркировки
      • Мониторинг      
        • Измерение энергии и мощности
        • Мониторинг и диагностика
        • Сигнализация и индикация
        • Устройства измерения тока и напряжения
      • Монтажный и установочный материал      
        • Заземление и экранирование
        • Кабельные вводы
        • Коробки подключения и полые корпуса
        • Монтажная рама штекера
        • Поворотный переключатель
        • Распределительные блоки, безвинтовые клеммы и евроклеммы
        • Розетки и сервисные интерфейсы
        • Система ввода кабеля
        • Система кабелепровода
        • Системы защиты кабеля
        • Электроустановочный материал для электрошкафа
      • Облачная обработка промышленных данных      
        • Облачные службы
        • Облачные устройства
        • Срок использования облака
      • Оборудование для зарядки электромобилей      
        • Зарядные вставные системы
        • Зарядные контроллеры
        • Комплекты для зарядки
        • Программное обеспечение для управления зарядкой электромобилей
      • Освещение и сигнализация      
        • Освещение башен ветросиловых установок
        • Светильники для электрошкафа
        • Сигнальные колонны
        • Сигнальные огни для морских приложений
        • Система управления освещением
        • Станочные светильники
      • ПЛК и системы ввода-вывода      
        • Системы ввода-вывода для полевой установки (IP65/67)
        • Системы ввода-вывода для электрошкафов (IP20)
        • Список изделий: принадлежности для систем ввода/вывода
        • Список компонентов для систем ввода-вывода
      • Помехоподавляющие фильтры и защита от импульсных перенапряжений      
        • Защита от импульсных перенапряжений для КИПиА
        • Защита от перенапряжений для возобновляемых источников энергии
        • Защита передающих и принимающих устройств от импульсных перенапряжений
        • Измерение тока молнии
        • Комплектные решения
        • Помехоподавляющие фильтры
        • Разделительный искровой разрядник
        • Тестер для разрядников
        • Устройства защиты от импульсных перенапряжений для информационных систем
        • Устройства защиты от перенапряжений для источников питания
      • Программное обеспечение      
        • Визуализация
        • Драйвера и интерфейсы
        • Конфигурирование, мониторинг и диагностика
        • Модульная программная платформа
        • Планирование и проектирование
        • ПО для проектирования и маркировки
        • ПО для сетевого управления
        • Программирование
        • Программное обеспечение для электромобильности
        • Удаленное управление и обслуживание
        • Управление и настройка параметров устройств
        • Функциональные блоки
      • Промышленные коммуникационные технологии      
        • Industrial Ethernet
        • Передача данных по полевой шине
        • Продукты в соответствии с протоколами
        • Промышленная беспроводная связь
        • Удаленная связь
      • Релейные модули      
        • Программируемаяя система логических реле
        • Реле времении
        • Реле контроля
        • Электромеханические и полупроводниковые релейные модули
      • Системная кабельная разводка для контроллеров      
        • Cпециальная кабельная разводка для контроллеров
        • Компоненты для дополнительного оснащения и модернизации
        • Распределитель потенциалов
        • Универсальные модули
        • Универсальный кабель
      • Устройства HMI и промышленные ПК      
        • Промышленные ПК
        • Устройства HMI
        • Устройства HMI для применения в морских условиях
        • Устройства HMI и промышленные ПК для использования вне помещений
      • Устройства защиты      
        • Автоматические защитные выключатели
      • Функциональная безопасность      
        • Безопасные разделительные усилители
        • Безопасные устройства ввода-вывода
        • Безопасные устройства управления
        • Коммутационные аппараты систем безопасности
        • Конфигурируемые модули безопасности
      • Штекерные разъемы      
        • Блоки для установки плат 19" и пружинные колодки
        • Зарядные вставные системы для электромобилей
        • Клеммы для печатных плат
        • Круглые штекерные разъемы
        • Модульные прямоугольные разъемы
        • Монтажная система
        • Промышленные штекерные соединители
        • Соединители для передачи данных
        • Штекерные соединители для ФГ-систем
        • Этажерочный принцип распределения энергии
      • Электронные коммутационные аппараты и устройства управления двигателем      
        • Гибридные пускатели с защитой от короткого замыкания
        • Гибридный пускатель электродвигателя
        • Подключаемые к сети гибридные пускатели электродвигателя
        • Полупроводниковые контакторы
        • Пускатель электродвигателя
        • Управление машинами
        • Управление электродвигателями
      • Еще
    • СТЭЗ
      СТЭЗ
      • Офисные коммутаторы      
        • L2/L3 коммутаторы агрегации 10GE
        • TOWER коммутаторы
      • Промышленные коммутаторы      
        • Аксессуары
        • Неуправляемые коммутаторы
        • Управляемые коммутаторы L2/L3
    • Finder
      Finder
      • Вспомогательные элементы и аксессуары      
        • 01 Серия
        • 02 Серия
        • 04 Серия
        • 05 Серия
        • 06 Серия
        • 07 Серия
        • 08 Серия
        • 09 Серия
      • Детекторы движения и присутствия      
        • 18 Серия
      • Диммеры      
        • 15 Серия
      • Импульсные источники питания      
        • 78 Серия
      • Модули индикации и защиты      
        • 19 Серия
        • 99 Серия
      • Модульные контакторы      
        • 22 Серия
      • Реле      
        • Интерфейсные модули реле
        • Контрольные реле
        • Модульные твердотельные реле (SSR)
        • Программируемые логические реле
        • Промышленные реле
        • Реле времени
        • Реле для печатного монтажа
        • Реле с принудительным управлением контактами
        • Фотореле
        • Шаговые реле
      • Розетки      
        • 90 Серия
        • 92 Серия
        • 93 Серия
        • 94 Серия
        • 95 Серия
        • 96 Серия
        • 97 Серия
      • Светодиодные щитовые светильники      
        • 7L Серия
      • Таймеры      
        • 14 Серия
        • 80 Серия
        • 81 Серия
        • 83 Серия
        • 84 Серия
        • 85 Серия
        • 86 Серия
        • 88 Серия
      • Устройства защиты от импульсных перенапряжений (УЗИП)      
        • 7P серия
      • Щитовое климатическое оборудование      
        • 7F Серия
        • 7H Серия
        • 7T Серия
      • Еще
    • Bopla
      Bopla
      • Корпусная техника      
        • Alu-Topline
        • Alubos
        • Aluplan
        • Alurail
        • Alustyle
        • Bocard
        • Bocube
        • Bocube Alu
        • BoLink
        • BoPad
        • Bopla-Arteb
        • BOS
        • BOS-Ecoline
        • BOS-Streamline
        • Botego
        • BoTouch
        • Circum
        • CombiCard 1000-3000 / CombiSet 500
        • CombiCard 5000-7000
        • CombiNorm-Classic
        • CombiNorm-Compact
        • CombiNorm-Connect
        • Combirail
        • Elegant
        • Elegant-Pult
        • Element / Universal
        • Elesett / Eletec
        • Euromas ABS / PC
        • Euromas Aluminium / Euromas F05
        • Euromas II
        • Euromas Polyester
        • Euromas Polymas
        • Filotec
        • Futura / Portas / Bopult
        • Internorm
        • Internorm Stil
        • Intertego
        • Interzoll
        • Interzoll Case
        • Interzoll Modul
        • Interzoll Plus
        • RegloCard-Plus / Combifront / InterCard
        • Tastomat
        • UDS Universal-Docking-Station
        • Ultramas
        • Ultrapult
        • Unimas
        • Uninorm
        • Винтовые соединения кабелей, общая дополнительная оснастка
      • Плёночные клавиатуры      
        • для BOPLA-Arteb
        • для BOS
        • для Elegant
        • С тактильным эффектом и без тактильного эффекта
    • Rose
      Rose
      • Взрывозащищенное оборудование      
        • Взрывозащищенные клеммные коробки (Ex ia, Ex e, Ex d) из алюминия, полиэстера и нержавеющей стали
        • Взрывозащищенные посты управления
      • Кабельные вводы      
        • Взрывозащищенные кабельные вводы
        • Индустриальные кабельные вводы
      • Корпуса для задач автоматизации, измерения и контроля      
        • Переносные системы управления
        • Стационарные системы управления
      • Продукция
      • Промышленное оборудование      
        • Корпуса для электронных компонентов
        • Стандартные корпуса
    • WAGO
      WAGO
      • Автоматизация WAGO
      • Инструменты для монтажа WAGO
      • Клеммы для светильников WAGO
      • Клеммы на DIN-рейку WAGO
      • Клеммы на печатную плату WAGO
      • Розетки и вилки WAGO
      • Электромонтажные клеммы WAGO
      • Электронные компоненты WAGO
    • ETI
      ETI
      • Автоматические выключатели
      • Корпуса
      • Предохранители      
        • Предохранители цилиндрические
      • Реле      
        • Дифференциальные реле
        • Промежуточные электромеханические реле
      • Устройства плавного пуска
      • Частотные преобразователи
    • Rittal
      Rittal
      • Контроль микроклимата
      • Корпуса
      • Электрораспределение
    • CHIKU
      CHIKU
      • Винтовые клеммы эконом
      • Заземляющие клеммы
      • Клеммные блоки
      • Клеммы пружинные с монтажом сверху
      • Клеммы с возвратной пружиной
      • Клеммы с пружинным зажимом Push-in
      • Концевой стопор
      • Маркировка
      • Мостики и перемычки
      • Открытые клеммные колодки
      • Принадлежности
      • Проходные клеммы
      • Пружинные клеммы и принадлежности
      • Распределительные блоки
      • Реле
      • Силовые клеммы
      • Соединительные клеммы
      • Ультратонкие релейные модули
      • Универсальные винтовые клеммы
      • Универсальные винтовые клеммы Un=1000V
      • Функциональные клеммы
      • Штекеры и разъемы
      • Еще
    Бренды
    Phoenix Contact СТЭЗ Finder Rose Bopla ETI WAGO Rittal CHIKU
    «Автоматизация Технических Систем» (ООО «АВТС»)
    Каталог
    «Автоматизация Технических Систем» (ООО «АВТС»)
    Телефоны
    +7 (495) 740-06-07
    Заказать звонок
    «Автоматизация Технических Систем» (ООО «АВТС»)
    • +7 (495) 740-06-07
      • Назад
      • Телефоны
      • +7 (495) 740-06-07
      • Заказать звонок
    • info@avt-s.ru
    •  г. Москва, вн. тер. г. муниципальный округ Басманный, проезд Лубянский, д. 27/1, стр. 1, этаж 5, ком. 78
    • Пн. – Пт.: с 9:00 до 18:00
      субб. - вск. - выходные
    Главная
    Phoenix Contact
    ПЛК и системы ввода-вывода

    ПЛК и системы ввода-вывода

    654 товара
    Системы ввода-вывода для полевой установки (IP65/67) Системы ввода-вывода для полевой установки (IP65/67)
    Системы ввода-вывода для электрошкафов (IP20) Системы ввода-вывода для электрошкафов (IP20)
    Список изделий: принадлежности для систем ввода/вывода Список изделий: принадлежности для систем ввода/вывода
    Список компонентов для систем ввода-вывода Список компонентов для систем ввода-вывода
    Фильтр
    Сначала непопулярные
    Сначала непопулярные
    Сначала популярные
    Фильтр
    Сначала непопулярные
    Сначала непопулярные
    Сначала популярные
    Быстрый просмотр
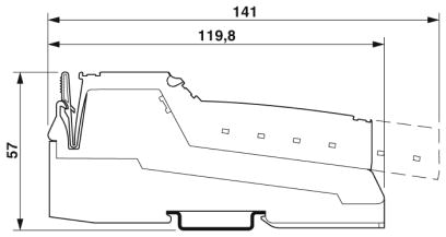
    Клеммы Inline-IB IL 24 PWR IN/2-F-PAC Клеммы Inline-IB IL 24 PWR IN/2-F-PAC Клеммы Inline-IB IL 24 PWR IN/2-F-PAC Клеммы Inline-IB IL 24 PWR IN/2-F-PAC Клеммы Inline-IB IL 24 PWR IN/2-F-PAC
    Клеммы Inline-IB IL 24 PWR IN/2-F-PAC
    Заказать
    Быстрый просмотр
    Клеммы Inline-IB IL AO 2/UI-XC-PAC Клеммы Inline-IB IL AO 2/UI-XC-PAC Клеммы Inline-IB IL AO 2/UI-XC-PAC
    Клеммы Inline-IB IL AO 2/UI-XC-PAC
    Заказать
    Быстрый просмотр
    Запасной электронный модуль-IB STME 24 DO32/2
    Запасной электронный модуль-IB STME 24 DO32/2
    Заказать
    Быстрый просмотр
    Зажим для подключения экрана-IBS RB-SHIELD
    Зажим для подключения экрана-IBS RB-SHIELD
    Заказать
    Быстрый просмотр
    Экранированный штекер Inline-IB IL SCN 6-SHIELD-TWIN-GY
    Экранированный штекер Inline-IB IL SCN 6-SHIELD-TWIN-GY
    Заказать
    Быстрый просмотр
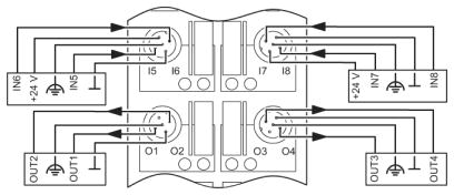
    Модуль ввода-вывода-ILB IB 24 DO16 Модуль ввода-вывода-ILB IB 24 DO16 Модуль ввода-вывода-ILB IB 24 DO16
    Модуль ввода-вывода-ILB IB 24 DO16
    Заказать
    Быстрый просмотр
    Интерфейсный кабель-TEMPCON CAB-V24
    Интерфейсный кабель-TEMPCON CAB-V24
    Заказать
    Быстрый просмотр
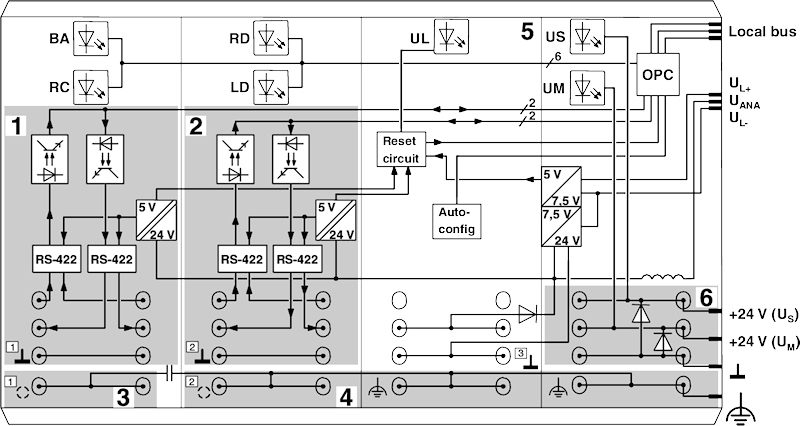
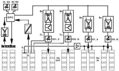
    Устройство сопряжения с шиной-IBS IL 24 BK-T/U-2MBD-PAC Устройство сопряжения с шиной-IBS IL 24 BK-T/U-2MBD-PAC Устройство сопряжения с шиной-IBS IL 24 BK-T/U-2MBD-PAC Устройство сопряжения с шиной-IBS IL 24 BK-T/U-2MBD-PAC
    Устройство сопряжения с шиной-IBS IL 24 BK-T/U-2MBD-PAC
    Заказать
    Быстрый просмотр
    Комплект штекеров-AXL CNS 4L-O/D/UA/E1/E2
    Комплект штекеров-AXL CNS 4L-O/D/UA/E1/E2
    Заказать
    Быстрый просмотр
    Децентрализ. устройство ввода-вывода-RL PN 24-2 DI 16 2TX Децентрализ. устройство ввода-вывода-RL PN 24-2 DI 16 2TX Децентрализ. устройство ввода-вывода-RL PN 24-2 DI 16 2TX
    Децентрализ. устройство ввода-вывода-RL PN 24-2 DI 16 2TX
    Заказать
    Быстрый просмотр
    Децентрализ. устройство ввода-вывода-IBS RL 24 DO 8/8-2A-LK-2MBD Децентрализ. устройство ввода-вывода-IBS RL 24 DO 8/8-2A-LK-2MBD
    Децентрализ. устройство ввода-вывода-IBS RL 24 DO 8/8-2A-LK-2MBD
    Заказать
    Быстрый просмотр
    Distributed I/O device-FLS IB M12 DI 16 M12
    Distributed I/O device-FLS IB M12 DI 16 M12
    Заказать
    Быстрый просмотр
    Децентрализ. устройство ввода-вывода-FLM DIO 16/16 M12/8-DIAG Децентрализ. устройство ввода-вывода-FLM DIO 16/16 M12/8-DIAG Децентрализ. устройство ввода-вывода-FLM DIO 16/16 M12/8-DIAG
    Децентрализ. устройство ввода-вывода-FLM DIO 16/16 M12/8-DIAG
    Заказать
    Быстрый просмотр
    Модуль ввода-вывода-AXL F DO32/1 XC 1F Модуль ввода-вывода-AXL F DO32/1 XC 1F Модуль ввода-вывода-AXL F DO32/1 XC 1F Модуль ввода-вывода-AXL F DO32/1 XC 1F Модуль ввода-вывода-AXL F DO32/1 XC 1F
    Модуль ввода-вывода-AXL F DO32/1 XC 1F
    Заказать
    Быстрый просмотр
    Децентрализ. устройство ввода-вывода-FLS CO M12 DIO 8/8 M12 Децентрализ. устройство ввода-вывода-FLS CO M12 DIO 8/8 M12 Децентрализ. устройство ввода-вывода-FLS CO M12 DIO 8/8 M12
    Децентрализ. устройство ввода-вывода-FLS CO M12 DIO 8/8 M12
    Заказать
    Быстрый просмотр
    Децентрализ. устройство ввода-вывода-IBS RL 24 DIO 4/2/4-LK-2MBD Децентрализ. устройство ввода-вывода-IBS RL 24 DIO 4/2/4-LK-2MBD
    Децентрализ. устройство ввода-вывода-IBS RL 24 DIO 4/2/4-LK-2MBD
    Заказать
    Быстрый просмотр
    Модуль ввода-вывода-ILB IB 24 DI16 DO16 Модуль ввода-вывода-ILB IB 24 DI16 DO16 Модуль ввода-вывода-ILB IB 24 DI16 DO16 Модуль ввода-вывода-ILB IB 24 DI16 DO16
    Модуль ввода-вывода-ILB IB 24 DI16 DO16
    Заказать
    Быстрый просмотр
    Разъем (вилка) питания-IB IL 400 CN-PWR-IN
    Разъем (вилка) питания-IB IL 400 CN-PWR-IN
    Заказать
    Быстрый просмотр
    Децентрализ. устройство ввода-вывода-FLM AO 4 SF M12 Децентрализ. устройство ввода-вывода-FLM AO 4 SF M12 Децентрализ. устройство ввода-вывода-FLM AO 4 SF M12
    Децентрализ. устройство ввода-вывода-FLM AO 4 SF M12
    Заказать
    Быстрый просмотр
    Клеммы Inline-IB IL 24 PWR IN/R/L-0.8A-PAC Клеммы Inline-IB IL 24 PWR IN/R/L-0.8A-PAC Клеммы Inline-IB IL 24 PWR IN/R/L-0.8A-PAC Клеммы Inline-IB IL 24 PWR IN/R/L-0.8A-PAC
    Клеммы Inline-IB IL 24 PWR IN/R/L-0.8A-PAC
    Заказать
    Страницы: 1 2 9 10 11 12 13 32 33
    201 - 220 из 654
    Категория
    • Phoenix Contact
      • ПЛК и системы ввода-вывода
        • Системы ввода-вывода для полевой установки (IP65/67)
          • Axioline E – модульно-блочная система ввода-вывода
          • Fieldline Modular – гибкая система ввода-вывода
          • Список компонентов IP65/67
          • Устройства ввода-вывода для AS-Interface
        • Системы ввода-вывода для электрошкафов (IP20)
          • Axioline F — модульная блочная система ввода-вывода
          • Inline — модульная система ввода-вывода
          • Список компонентов IP20
        • Список изделий: принадлежности для систем ввода/вывода
        • Список компонентов для систем ввода-вывода




    Компания
    О компании
    Каталоги и сертификаты
    Услуги
    Информация
    Новости
    Контакты
    Клиентам
    Каталог
    Доставка
    Политика компании в отношении обработки персональных данных
    Контакты
    +7 (495) 740-06-07
    info@avt-s.ru
     г. Москва, вн. тер. г. муниципальный округ Басманный, проезд Лубянский, д. 27/1, стр. 1, этаж 5, ком. 78
    © 2025 «Автоматизация Технических Систем» (ООО «АВТС»)
    Политика компании в отношении
    обработки персональных данных
    Главная Каталог Контакты Поиск